利用拨码开关直接驱动激磁线圈会由于继电器激磁线圈在断开时释放储能而损伤拨码开关的触点,那我们可以将拨码开关用于驱动开关管(这是一个很小的,而且也没有释放储能),这时拨码开关的寿命仅仅受机械寿命影响。
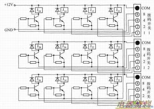
应用拨码开关驱动开关管,再利用开关管驱动继电器激磁线圈的如下图所示。
图中,取值为lOkΩ,选择1N4148,选择最常见的S9014,继电器激磁线圈的额定为12V。

利用拨码开关直接驱动激磁线圈会由于继电器激磁线圈在断开时释放储能而损伤拨码开关的触点,那我们可以将拨码开关用于驱动开关管(这是一个很小的,而且也没有释放储能),这时拨码开关的寿命仅仅受机械寿命影响。
应用拨码开关驱动开关管,再利用开关管驱动继电器激磁线圈的如下图所示。
图中,取值为lOkΩ,选择1N4148,选择最常见的S9014,继电器激磁线圈的额定为12V。
