第二课 初步认识51芯片


 

  上一课我们的第一个项目完成了,可能有懂C语言的朋友会说,"这和PC机上的C语言没有多大的区别呀"。的确没有太大的区别,C语言只是一种程序语言的统称,针对不同的处理器相关的C语言都会有一些细节的改变。编写PC机的C程序时,如要对硬件编程你就必须对硬件要有一定的认识,51编程就更是如此,因它的开发应用是不可与硬件脱节的,所以我们先要来初步认识一下51苾片的结构和引脚功能。MSC51架构的芯片种类很多,具体特点和功能不尽相同(在以后编写的附录中会加入常用的一些51芯片的资料列表),在此后的教程中就以Atmel公司的AT89C51和AT89C2051为中心对象来进行学习,两者是AT89系列的典型代表,在爱好者中使用相当的多,应用资料很多,价格便宜,是初学51的首选芯片。嘿嘿,口水多多有点卖广告之嫌了。
第二课 初步认识51芯片
      图2-1 AT89C51和AT89C2051引脚功能图
 

AT89C51

AT89C2051

4KB可编程Flash(可擦写1000次)

2KB可编程Flash存储器(可擦写1000次)

三级程序存储器保密

两级程序存储器保密

静态工作:0-24MHz

静态工作频率:0Hz-24MHz

128字节内部RAM

128字节内部RAM

2个16位定时/计数器

2个16位定时/计数器

一个串行通讯口

一个串行通讯口

6个中断源

6个中断源

32条I/O引线

15条I/O引线

片内时种

1个片内模拟比较器

      表2-1 AT89C51和AT89C2051主要性能表
  图2-1中是AT89C51和AT89C2051的引脚功能图。而表2-1中则是它们的主要性能表。以上可以看出它们是大体相同的,由于AT89C2051的IO线很少,导致它无法外加RAM和程序ROM,片内Flash存储器也少,但它的体积比AT89C51小很多,以后大家可根据实际需要来选用。它们各有其特点但其核心是一样的,下面就来看看AT89C51的引脚具体功能。
  1.引脚
    V 40 端
    GND 20 接地端
    *工作为5V,另有AT89LV51工作电压则是2.7-6V, 引脚功能一样。

  2.外接晶体引脚
第二课 初步认识51芯片
      图2-2 外接晶体引脚
    XTAL1 19
    XTAL2 18
    XTAL1是片内振荡器的放大器输入端,XTAL2则是输出端,使用外部振荡器时,外部振荡信号应直接加到XTAL1,而XTAL2悬空。内部方式时,时钟发生器对振荡脉冲二,如为12MHz,时钟频率就为6MHz。晶振的频率可以在1MHz-24MHz内选择。取30PF左右。
    *型号同样为AT89C51的芯片,在其后面还有频率编号,有12,16,20,24MHz可选。大家在购买和选用时要注意了。如AT89C51 24PC就是最高振荡频率为24MHz,40P6封装的普通商用芯片。   3.复位 RST 9
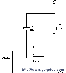
    在振荡器运行时,有两个机器(24个振荡周期)以上的高出现在此引腿时,将使单片机复位,只要这个脚保持高电平,51芯片便循环复位。复位后P0-P3口均置1引脚表现为高电平,程序计数器和特殊功能寄存器SFR全部清零。当复位脚由高电平变为低电平时,芯片为ROM的00H处开始运行程序。常用的复位如图2-3所示。
    *复位操作不会对内部RAM有所影响。
第二课 初步认识51芯片
      图2-3 常用复位电路
  4.输入输出引脚
    (1) P0端口[P0.0-P0.7] P0是一个8位漏极开路型双向I/O端口,端口置1(对端口写1)时作高输入端。作为输出口时能驱动8个TTL。
      对内部Flash程序存储器编程时,接收指令字节;校验程序时输出指令字节,要求外接。
      在访问外部程序和外部数据存储器时,P0口是分时转换的地址(低8位)/数据总线,访问期间内部的上拉起作用。
    (2) P1端口[P1.0-P1.7] P1是一个带有内部上拉的8位双向I/0端口。输出时可驱动4个TTL。端口置1时,内部上拉将端口拉到高电平,作输入用。
      对内部Flash程序存储器编程时,接收低8位地址信息。
    (3) P2端口[P2.0-P2.7] P2是一个带有内部上拉电阻的8位双向I/0端口。输出时可驱动4个TTL。端口置1时,内部上拉电阻将端口拉到高电平,作输入用。
      对内部Flash程序存储器编程时,接收高8位地址和控制信息。
      在访问外部程序和16位外部数据存储器时,P2口送出高8位地址。而在访问8位地址的外部数据存储器时其引脚上的内容在此期间不会改变。
    (4) P3端口[P3.0-P3.7] P2是一个带有内部上拉电阻的8位双向I/0端口。输出时可驱动4个TTL。端口置1时,内部上拉电阻将端口拉到高电平,作输入用。
      对内部Flash程序存储器编程时,接控制信息。除此之外P3端口还用于一些专门功能,具体请看 表2-2.。
      *P1-3端口在做输入使用时,因内部有上接电阻,被外部拉低的引脚会输出一定的。
 

P3引脚

兼用功能

P3.0

串行通讯输入(RXD)

P3.1

串行通讯输出(TXD)

P3.2

外部中断0( INT0)

P3.3

外部中断1(INT1)

P3.4

定时器0输入(T0)

P3.5

定时器1输入(T1)

P3.6

外部数据存储器写选通WR

P3.7

外部数据存储器写选通RD

      表2-2 P3端口引脚兼用功能表
  呼!一口气说了那么多,停一下吧。嗯,什么?什么叫上拉电阻?上拉电阻简单来说就是把电平拉高,通常用4.7-10K的电阻接到Vcc电源,下拉电阻则是把电平拉低,电阻接到GND地线上。具体说明也不是这里要讨论的,接下来还是接着看其它的引脚功能吧。
  5.其它的控制或复用引脚
    (1) ALE/PROG 30 访问外部存储器时,ALE(地址锁存允许)的输出用于锁存地址的低位字节。即使不访问外部存储器,ALE端仍以不变的频率输出脉冲信号(此频率是振荡器频率的1/6)。在访问外部数据存储器时,出现一个ALE脉冲。对Flash存储器编程时,这个引脚用于输入编程脉冲PROG
    (2) PSEN 29 该引是外部程序存储器的选通信号输出端。当AT89C51由外部程序存储器取指令或常数时,每个机器周期输出2个脉冲即两次有效。但访问外部数据存储器时,将不会有脉冲输出。
    (3) EA/Vpp 31 外部访问允许端。当该引脚访问外部程序存储器时,应输入低电平。要使AT89C51只访问外部程序存储器(地址为0000H-FFFFH),这时该引脚必须保持低电平,而要使用片内的程序存储器时该引脚必须保持高电平。对Flash存储器编程时,该引脚用于施加Vpp编程电压。Vpp电压有两种,类似芯片最大频率值要根据附加的编号或芯片内的特征字决定。具体如表2-3所列。

 

Vpp = 12V

Vpp = 5V

  印刷在芯片面上的型号

AT89C51

xxxx

YYWW

AT89LV51

xxxx

YYWW

AT89C51

xxxx-5

YYWW

AT89LV51

xxxx-5

YYWW

  片内特征字

030H=1EH

030H=1EH

030H=1EH

030H=1EH

031H=51H

031H=61H

031H=51H

031H=61H

032H=FFH

032H=FFH

032H=05H

032H=05H

      表2-3 Vpp与芯片型号和片内特征字的关系
  看到这您对AT89C51引脚的功能应该有了一定的了解了,引脚在编程和校验时的时序我们在这里就不做详细的探讨,通常情况下我们也没有必要去撑握它,除非你想自己开发编程器。下来的课程我们要开始以一些简单的实例来讲述C程序的语法和编写方法技巧,中间穿插相关的硬件知识如串口,中断的用法等等。