一、经验设计法简介
梯形图程序设计是可编程控制器应用中最关键的问题,PLC梯形图程序设计常用方法有:经验设计法、顺序控制设计法和逻辑代数设计法等。
PLC梯形图程序用“经验设计法”编写,是沿用了设计图的方法来设计梯形图,即在某些典型电路的基础上,根据被控对象对控制系统的具体要求,不断地修改和完善梯形图。有时需要多次反复地进行调试和修改梯形图,不断地增加中间编程元件和辅助触点,最后才能得到一个较为满意的结果。因此,所谓的经验设计法是指利用已经的经验(一些典型的控制程序、控制方法等),对其进行重新组合或改造,再经过多次反复修改,最终得出符合要求的控制程序。
这种设计方法没有普遍的规律可以遵循,具有很大的试探性和随意性,最后的结果也不是唯一的,设计所用的时间、设计质量与设计者的经验有很大的关系,因此有人就称这种设计方法为经验设计法,它是其他设计方法的基础,用于较简单的梯形图程序设计。
用经验设计法编程,可归纳为以下四个步骤:
(1)控制模块划分(工艺分析)。在准确了解控制要求后,合理地对控制系统中的事件进行划分,得出控制要求有几个模块组成、每个模块要实现什么功能、因果关系如何、模块与模块之间怎样联络等内容。划分时,一般可将一个功能作为一个模块来处理,也就是说,一个模块完成一个功能。
(2)功能及端口定义。对控制系统中的主令元件和执行元件进行功能定义、代号定义与I/O口的定义(分配),画出I/O接线图。对于一些要用到的内部元件,也要进行定义,以方便后期的程序设计。在进行定义时,可用资源分配表的形式来进行合理安排元器件。
(3)功能模块梯形图程序设计。根据已划分的功能模块,进行梯形图程序的设计,一个模块,对应一个程序。这一阶段的工作关键是找到一些能实现模块功能的典型的控制程序,对这些控制程序进行比较,选择最佳的控制程序(方案选优).并进行一定的修改补充,使其能实现所需功能。这一阶段可由几个人一起分工编写程序。
(4)程序组合,得出最终梯形图程序。对各个功能模块的程序进行组合,得出总的梯形图程序。组合以后的程序,它只是一个关键程序,而不是一个最终程序(完善的程序),在这个关键程序的基础上,需要进一步的对程序进行补充、修改。经过多次反复的完善,最后要得出一个功能完整的程序。
因此,在程序组合时,一方面要注意各个功能模块组合的先后顺序;二是要注意各个功能模块之问的联络信号;三是要注意线圈之间的联锁(互锁)信号;最后不要忘了程序结束时要有程序结束指令。
二、典型控制程序介绍
1.点动控制
工作原理如下图所示。XO01闭合,YO01得电:XO01断开,YOO1失电。

上图(a)、上图(b):XOOl闭合,YO01得电,并自锁;X002断开,YO01失电。
上图 (c):XOOl闭合,YO01置1;X002闭合,YO01复位(注意:当XO01和X002同时闭合时,RST指令优先执行)。
3.点动和连续运行控制程序
工作原理如下图所示。
连续运行:XO01闭合,MO得电并自锁,MO常开闭合,YOOI得电;X002断开,MO失电,MO常开断开,Y001失电。

点动:X003闭合,YO01得电;X003断开,YO01失电。
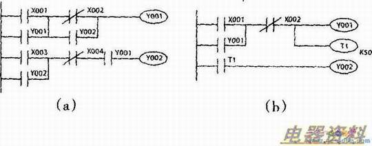
4.顺序控制程序
工作原理如下图所示。
下图(a)顺起逆停:
启动:XO01闭合,YO01得电.X003闭合,Y002得电;停止:X004断开,Y002失电,X002断开,YO01失电。
即启动时,YO01先得电,然后Y002才能得电;停止时,Y002先失电,然后YO01才能失电,实现了顺序启动逆向停止的功能。
下图(b)自动控制:
启动:XO01闭合,YO01得电,Tl得电,延时5S后,Y002得电;停止:X002断开,YO01、Y002及T1全部失电。
实现了自动顺序起动控制。

5.Y-△降压启动控制程序
控制程序如下图所示。
启动:XO01闭合,YO01得电并自锁,Tl得电,延时SS; YO01常开闭合,Y002得电;Tl延时时间到,Tl常闭断开,Y002失电;T1常开闭合,Y003得电。 停止:X002断开,YO01、Y003及Tl失电。
因此启动时YO01和Y002得电,延时Ss后,YO01和Y003得电,实现了星三角降压起动(实际就是一个顺序控制)。
这种典型的控制程序非常多,需要平时多看、多想、多记,掌握的程序越多,对用“经验设计法”设计PLC梯形图的帮助就越大。
