在系统中的应用,包括数码管器件的显示原理、单片机系统中的常用的驱动数码管的方法、静态显示与动态扫描的原理、最后给出一个实际的显示实例及程序分析。
原理简介
数码管是单片机系统中经常用到的显示器件,从内部结构上可以分为共阴极和共阳极数码管。对不同的数码管的接法也不一样,上图为数码管的结构图。以共阳极数码管为例,要想点亮某段,只需要在相应的段上给低即可。下图为共阳极数码管段码分布,以及一个显示的实例。

按照工作方式,数码管驱动可以分为静态显示和动态扫描。所谓静态显示,就是每一个数码管的段码都要独占具有锁存功能的输出口,CPU把要显示的字码送到输出口上,就可以使数码管显示对应的字符,直到下一次送出另外一个字码之前,显示的内容一直不会消失;动态扫描是把所有显示器的8个段码中的A~dp的各个相同段连接在一起,接到一个公共的输出口上,而数码管的位端分别接在另外的输出口上,通过这两个输出口的两组信号相互作用来产生显示效果。即让各位数码管按照一定顺序轮流显示,只要扫描足够高,由于人眼的“视觉暂留”现象,就能连续稳定的显示。
静态显示法的优点是显示稳定、亮度大,节约CPU时间,但占有110口线较多,硬件成本高。动态扫描其特点在于能显着降低显示部分成本,大大减少显示接口的连线结构。举例,静态驱动4位数码管,需要4×8=32个I/O口,而动态的驱动4位数码管只需要4+8=12个I/O口。
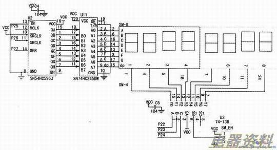
电路图详解
单片机的I/O资源是有限的,因此如何节省I/O口线而又不影响系统的功能是单片机工程师面临的实际问题。Study-IV学习板上采用是串行转并行芯片74hc595和74hc138三线一八线译码器实现8位数码管的驱动,好处是可以节省更多的10口线作其他用途。正常驱动8个数码管需要8+8=16根口线,采用595+138的方式只需要3+3=6根。电路如下图所示,为了更好地理解电路,这里简单介绍一下74HC595和74HC138两个芯片的作用。74HC595是一款串行移位输入、8位并行输出的芯片,内带数据移位寄存器和三态输出锁存器;SER为串行数据输入;LK为移位时钟输入;RCLK为锁存控制输入;QA—QH为数据输出;QH’为向下一片(位)的串行数据输出。74hc138是一个3线-8线的译码器,低电平有效输出,因此每个时刻输出端口只有一个是低电平,其余都是高电平输出,因此可以驱动共阴极数码管。如果驱动共阳极的数码管还需要做一个的转换。最后,为了增加单片机I/O的输出能力,在74HC595与数码管之间串接了一个74HC245并行驱动芯片。
从电路图中可以看到,每个芯片的和地附近都接了一个104,这个高频,可以减小对的影响。注意高频电容的布线,连线应靠近电源端并尽量粗短,否则,等于增大了电容的等效串联,会影响滤波效果。其实,不加这个电容也可以,但万一因为干扰出了问题.就会很难查找根源,实际调试电路板的时候就会发现电容的作用非常大的,而这些恰恰是初学者容易忽略的地方。
