在电动机的启动电路中,星三角降压启动电路是继电器控制系统中比较经典的电路,对于初学者来说,这类电路比较难掌握,下面就用图解的方式来介绍下星三角降压启动的电路图,一起来学习下。
电动机星三角降压启动的电路图

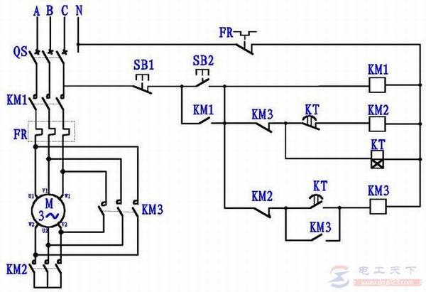
上图中为星三角降压启动电路图,QS为断路器,KM1主接触器,KM2星形连接接触器,KM3角形连接接触器,FR热继电器,KT时间继电器(通电延时型),SB1停止按钮,SB2启动按钮。
为图中带电部分标上颜色。

合上断路器QS。

按下启动按钮SB2,从图中红色线可知,主接触器KM1吸合,自保。然后,电流同过KM3常闭、KT常闭到星形接触器KM2线圈,KM2吸合,同时时间继电器KT线圈也得电吸合。KM1、KM2吸合将电机接成星形接法,启动。KT吸合开始延时,比如设定延时时间为10秒。

延时10秒以后,KT常闭断开,常开闭合,KM2线圈失电释放,KM2常闭恢复闭合。
由上图中可知KM3线圈得电吸合,自保。KM3常闭断开,KT线圈断电。这时电机转换成角形连接运行,如此就完成了星三角启动。