一个按钮控制电机启动停止电路看似简单,却存在很强的逻辑关系,有些电工朋友对这类电路不是很了解,下面就用图解的方式分析一下这个电路。
一个按钮控制电机启动停止电路
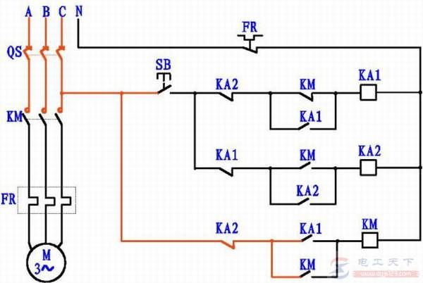
如下图,一个按钮控制电机启动停止电路。

QS为断路器,KM为接触器,FR热继电器,SB按钮,KA1和KA2为两个中间继电器。在上图中带电部分标成红色。

合上QS,图中红色为带电部分。

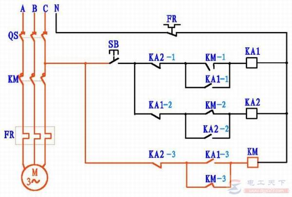
按下按钮SB不松开,KA1线圈得电,KA1-1常开点闭合,起KA1自保作用。KA1-2常闭触电断开,使KA2线圈不得电。KA1-3常开闭合,使接触器KM线圈得电,KM-3常开闭合自保。电机启动。

松开按钮SB,各元件动作状况,由于这时接触器KM吸合自保,所以电机连续运行。咱们看图中变化,由于KM吸合,常闭触点KM-1断开,常开触点KM-2闭合。

再次按下SB不松开,由于这时KM-1是断开的,KM-2是闭合的,所以,KA2线圈得电,KA2-1断开,使KA1线圈不能得电。KA2-2闭合,使KA2自保。KA2-3断开,使接触器KM线圈断电释放,电机停止。

松开SB,电路恢复初始状态。