在电动机的控制电路中,点动控制是指按下按钮电动机得电起动运转,松开按钮电动机失电直至停转,点动、单向转动控制线路是用按钮接触器来控制电动机运转的最简单的控制线路,下面具体来了解下。
电动机点动控制电路图
电动机点动控制线路的原理图,如下所示:

启动:按下起动按钮SB→接触器KM线圈得电→KM主触头闭合→电动机M启动运行。
停止:松开按钮SB→接触器KM线圈失电→KM主触头断开→电动机M失电停转。
这种控制方法常用于电动葫芦的起重电机控制和车床拖板箱快速移动的电机控制。
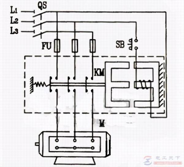
点动、单向转动控制线路是用按钮接触器来控制电动机运转的最简单的控制线路,以下是其接线示意图:

从图中可以看出点动正转控制线路是由转换开关QS、熔断器FU、启动按钮SB、接触器KM及电动机M组成。其中以转换开关QS作电源隔离开关,熔断器FU作短路保护,按钮SB控制接触器KM的线圈得电、失电,接触器KM的主触头控制电动机M的启动与停止,以下是该控制线路的工作原理:
当电动机M需要点动时,先合上转换开关QS,此时电动机M尚未接通电源。按下启动按钮SB,接触器KM的线圈得电,使衔铁吸合,同时带动接触器KM的三对主触头闭合,电动机M便接通电源启动运转。当电动机需要停转时,只要松开启动按钮SB,使接触器KM的线圈失电,衔铁在复位弹簧作用下复位,带动接触器KM的三对主触头恢复断开,电动机M失电停转。
上图中点动正转控制接线示意图用近似实物接线图的画法表示,看起来比较直观,方便初学者学习与掌握,但画起来很麻烦,特别是比较复杂的控制线路,所用电器较多,画成接线示意图的形式反而使人觉得繁杂难懂,很不实用。
因此,控制线路通常不画接线示意图,而是采用国家统一规定的电器图形符号和文字符号,画成控制线路原理图。以下是点动正转控制线路的原理图:

以上是根据实物接线电路绘制的线路图,图中以符号代表电器元件,以线条代表联接导线。用它来表达控制线路的工作原理,故称为原理图。原理图在设计部门和生产现场都得到了广泛的应用。
除了点动控制电路,在工作中还会接触到各种电路,比如:起保停电路、自锁控制电路、正反转控制电路、降压启动控制电路、启停控制电路等。