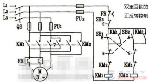
在下图中为按钮、按触器双重互锁的正反转控制线路,这种线路在按钮互锁的基础上增加了接触器互锁,所以兼有两种互锁控制一条线路的优点,线路操作方便,工作安全可靠。
三相电机按钮与接触器双重互锁的正反转控制电路
该控制电路在电力拖动中使用广泛,如z3050型摇臂钻床立柱松紧电动机的正反转控制,以及X62W型万能铣的主轴反接制动控制,都是采用这种控制线路。

图1:按钮、接触器双重互锁正反转控制线路电路图
按钮、按触器双重互锁的正反转控制线路的工作原理,先合上电源开关QS:
1、正转控制:按下SB1→SB1动断触头先分断对KM2互锁、SB1动合触头后闭合→KM1线圈通电→KM1自锁触头闭合自锁、KM1互锁触头分断对KM2互锁、KM1主触头闭合→电动机M启动连续正转。
2、反转控制:按下SB2→SB2动断触头先分断→KM1线圈失电→KM1自锁触头分断、KM1互锁触头复位(SB2动合触头后闭合)→电动机M失电→KM2线圈通电→KM2自锁触头闭合自锁、KM2互锁触头分断对KM1互锁(切断正转控制电路)、KM2主触头闭合→电动机M启动连续反转。
当需要停止运转时,按下SB3,整个控制电路失电,主触头分断,电动机M失电停转。在正反转控制线路中,除了用熔断器作短路保护外,还用热继电器作电动机的过载保护。
如果电动机在运行过程中,因为过载或其他原因,使负载电流超过额定值时,经过一定时间,串接在主电路中的热继电器双金属片受热弯曲,使串接在控制线路中的动断触头断开,切断控制线路电源,接触器KM的线圈断电,主触头断开,电动机M便脱离电源停转,达到过载保护的目的。
热继电器发生动作之后,经过一段时间的冷却,可以自动或手动复位为下一次动作作好准备。
由于发热元件的热惯性,热继电器不能做短路保护。因为短路事故发生时要求电路立即断开,但热继电器不能立即动作。
按钮与接触器双重互锁的正反转控制电路图例

按钮与接触器双重互锁的正反转控制电路,按钮互锁,将复合按钮动合触点作为起动按钮,而将其动断触点作为互锁触点串接在另一个接触器线圈支路中。
电动机双重互锁正反转控制接线图

电动机双重互锁正反转控制接线图,SB2和SB3均为复合按钮,合上电源开关Q,按下起动按钮SB2,其常闭触点SB2断开,使接触器KM2不得电,常开触点SB2接通,使接触器KM1得电吸合并自锁,其主触点闭合,接通电源,电动机正向起动运转。
接触器双重互锁的正反转控制电路图一例

分享一例按钮与接触器双重互锁的正反转控制的电路图,将复合按钮动合触点作为起动按钮,而将其动断触点作为互锁触点串接在另一个接触器线圈支路中。