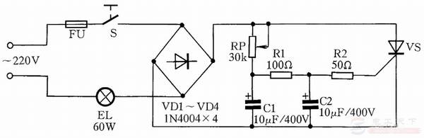
一例晶闸管调光灯的电路线路图,如下图:

图1:晶闸管调光灯
主要功能:
1、将线路中电位器RP的阻值调小时,晶闸管导通角增大,灯光亮度增强;
2、阻值调大时,晶闸管的导通角减小,灯光亮度减弱。
此外,这种电路还可用于电热器加热温度的调节。
以上就是一个简单的晶闸管调光灯的电路图,希望对大家有所帮助。
一例晶闸管调光灯的电路线路图,如下图:

图1:晶闸管调光灯
主要功能:
1、将线路中电位器RP的阻值调小时,晶闸管导通角增大,灯光亮度增强;
2、阻值调大时,晶闸管的导通角减小,灯光亮度减弱。
此外,这种电路还可用于电热器加热温度的调节。
以上就是一个简单的晶闸管调光灯的电路图,希望对大家有所帮助。