自制一台小型晶闸管调光器,可以随意调整台灯的亮度,而且还非常节电,这里分享下这种无级调光台灯的接线原理图,供大家学习参考。
无级调光台灯的电路原理
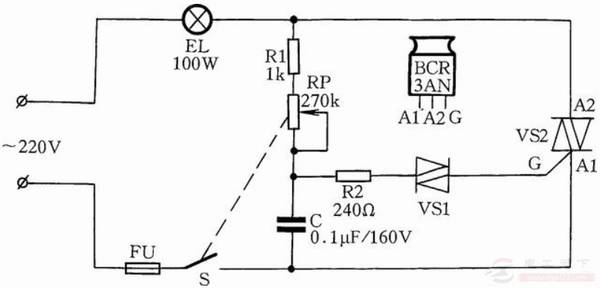
无级调光台灯的工作原理,见下图:

图1,无级调光台灯
R1、RP、C、R2和VS2组成移相触发电路,在交流电压的某半周,220V交流电源经R1、RP向C充电,电容C两端电压上升。
当C两端电压升高到大于双向触发二极管VS1的阻断值时,VS1和双向晶闸管VS2才相继导通,VS2在交流电压零点时截止。
VS2的触发角由RP、R1、C的阻值或容量的乘积决定,调节电位器RP便可改变VS2的触发角,从而改变负载电流的大小,即改变灯泡两端电压,起到随意调光的作用。
本电路的特点:
1、使用晶闸管调光,调光范围大、体积小、线路简单易制作,整机可安装在一个小盒内或台灯底座下。
2、电位器RP可选用带开关的中型电位器,电位器上的开关可做台灯开关用。
3、晶闸管VS2应选用3A/400V以上型号,台灯灯泡选用60~100W的白炽灯。
4、可将电压由0V无级调整到220V。
以上介绍了无级调光台灯的接线方法,以及这种调光台灯的电路特点,希望对大家有所帮助。