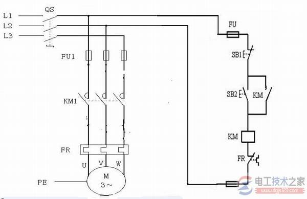
有关CJX2-0910交流接触器的接线图,加装NR2-11.5热过载继电器、2个触发开关、1个2相水泵,应该如何接线,一个三相的接线图,供电工朋友们参考。
CJX2-0910交流接触器的接线图
加装NR2-11.5热过载继电器、2个触发开关、1个2相水泵,应该如何接线?
如下图:

首先,要看得懂电气原理图。
这个是三相的图,你把L2、L3两相不接,换接成零线就行了,控制回路也是一根火线一根零线,别接错了。
有关CJX2-0910交流接触器的接线图,加装NR2-11.5热过载继电器、2个触发开关、1个2相水泵,应该如何接线,一个三相的接线图,供电工朋友们参考。
加装NR2-11.5热过载继电器、2个触发开关、1个2相水泵,应该如何接线?
如下图:

首先,要看得懂电气原理图。
这个是三相的图,你把L2、L3两相不接,换接成零线就行了,控制回路也是一根火线一根零线,别接错了。