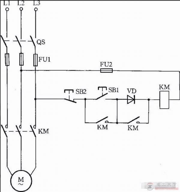
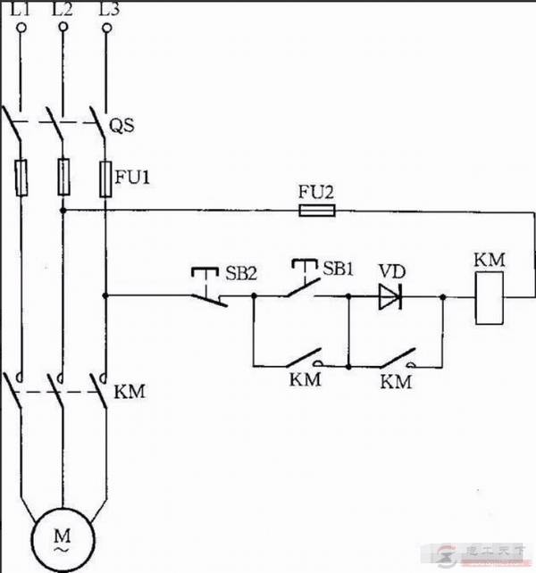
当供电电压在交流接触器吸引线圈额定电压的85%以下时,启动接触器衔铁就会跳动不止,不能可靠吸合。
在交流接触器的控制回路中串联一只整流管,就可以改为直流启动交流运行,从而可以避免上述问题。
交流接触器低电压启动线路如下图:

图1:交流接触器低电压启动线路
按下按钮SB1,经二极管VD半波整流的直流电压加在交流接触器KM线圈上,KM产生吸合,其辅助触点将二极管VD短接,交流接触器投入交流并运行。
由于启动电流比较大,所以这种线路只适用于操作不频繁的场合。在该启动线路中,VD应选用耐压大于700V的二极管,电流应根据交流接触器的线圈电流来定。