有关三相电度表的原理,三相有功电能表用来测量三相交流电路中电源输出(或负载消耗)的电能,三相电能表的直接接入式安装,三相四线式(三相三元件)电度表经电流互感器接线原理图等。
三相电度表原理与安装方式
三相有功电能表用来测量三相交流电路中电源输出(或负载消耗)的电能。
由于测量电路接线方式不同,三相有功电能表又分三相三线制和三相四线制两种。三相四线有功电度表(DT型),可对三相四线对称或不对称负载作有功电量的计量;而三相三线有功电度表(DS型),仅可对三相三线对称或不对称负载作有功电量的计量。
三相三线有功电能表的工作原理与单相有功电能表的工作原理基本上相同,三相有功电能表由电流、电压元件产生一移进磁场,同时与制动力矩相互作用,使铝盘在磁场中获得的转速正比于负载的有功功率,从而达到计量电能的目的。
三相四线有功电能表工作时,由三组电流、电压元件产生一移动磁场,作用在铝盘上的总转矩为三组元件产生的转矩之和,使铝盘在磁场中获得的转速正比于负载的有功功率,从而达到计量电能的目的。
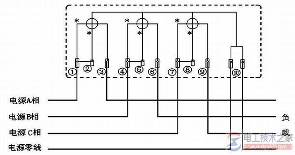
1、三相电能表的直接接入式安装

电能表的①、④、⑦接线端分别接电源火线A、B、C,接线端⑩的左边接电源零线。电能表接线端③、⑥、⑨的出线分别是负载的A、B、C火线,接线端⑩的右边是负载的零线。接线端①和接线端②、接线端④和接线端⑤、接线端⑦和接线端⑧应可靠连接。
2、三相电能表的直接接入式安装

3、三相四线式(三相三元件)电度表经电流互感器接线原理图
电流互感器要LQG型的,精度应不低于0.5级。电流互感器的极性要用对。

4、三相三线式(三相两元件)电度表经电流互感器接线原理图

5、电度表经电流互感器与有、无功电表的接线原理图


