板,就是常说的印制板。在我校,把印制板翻成电原理图,作为一项基本功的教学训练。并取名叫驳图。在修理过程中,正确识别PCB是关键的一步。对于电子技术人员来说,要掌握的基本功较多,正确识别电原理图和印制板,是其中重要的一环。
现在的PCB板由于技术的成熟,可以做成单面板、双而板、多层板等。对于我们来说。多层板的识别很难。因此,这里的驳图,主要指识别单面板和双面板。
为此应首先了解元件的布局、元件的功能和单元功能的划分等。
1、认清单元电路功能。
就识别PCB印制板而言,认清单元电路能完成什么功能,对驳图来说是非常关键的。在电原理的学习中,符合一定功能的单元,可以用方框来表示。因此在驳图中是按反向分析识别方框。比如要识别该印制板是彩电主板?是电磁灶控制板?是节能日光灯控制板?还是电瓶车充电器控制板?等等。再比如局部地说要识别是单管放大电路。还是桥式,是集成电路,还是自激振荡电路等等。
2、认清PCB板上芯片或元件的型号。
识出芯片的型号后,可以对照该芯片的典型应用电路图进行参考驳图。比如功放块TDA2616:彩电块LA76810;场扫描集成块LA7841;开关稳压控制块;芯片89C2051等等。如果读出来的芯片型号平时没有见过,也可以上网去查,网址为:。在网上把它的DAATASHEET技术文档中的典型应用原理图,仔细阅读一遍,然后对比PCB板,绘制出该芯片的周边电路元件标号。可以假快理清该芯片的印制饭电路。
3、平时多掌握一些元器件的封装形式。
常见的封装有TO-92、TO-220等。三极管的三个脚分别是E、B、C。小功率塑封装一般是TO-92,识别口诀是:“上平下圆脚朝己,从左到右E、B、C”(也有个别例外)。TO-220塑封三极管识别口诀是:“竖看字面脚朝下,从左到右B、C、E。”场效应管三个脚分别是D、G、S。TO-220塑封场效应管识别口诀是:“竖看字面脚朝下,从左到右G、D、S。三只脚单向为A、G、K.双向为T1(A1)、G、T2(A2)。
此外还应抓住核心元件,以核心元件的供电和信号输入输出作为识别PCB的出发点来进行驳图。通常核心元件无非是三极管、场效应管、可控硅和芯片。这些核心元件是有源器件,须供电才能工作。因此合理地找出和地线走线是非常重要的。NPN三极管高电位为C极,三极管为E极,场效应管高电位一般为D极。可控硅高电位为A,集成芯片供电脚可查资料。地线一般是位于边沿、且面积较粗的铜箔。中间位置的地线常与散热片连接(也有特别。最好用挡测量判断)。在分析供电时。应从高电位出发,到地线为止。每一条供电线路中。最高电位处。一般带有一个大的,可作为判断的依据。至于信号的输入输出,应按三极管的共集放大电路、共基放大电路、共射放大电路等采对侍。场效应管和可控硅的控制极为G极,也就是通常三极管的的B极。场效应管和可控硅的G极是小信号输入的位置,三极管的C极,场效管的D极作为信号的输出位置。可控硅没有信号的输出极。芯片的输入、输出可参考它的技术文档进行判别。
识别PCB印制板时,应抓住先走静态线路,然后再分析动态线路的原则。备上,检查线路的连接情况。一般来说,、、等应属静态线路中的元件,为动态线路中的元件。驳图时应先避开电容等动态线路元件,而先把核心元件的静态偏置电路元件进行理清,这样识别PCB电路的思路较为清楚,原理图绘制也合乎逻辑。
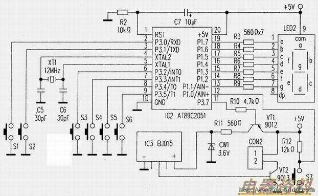
平时应勤学苦练,由易入难,善于总结。驳图其实很容易。下图为一印制板图。

首先分析一下本块印制板。它是单片板,电源部分位于板右上方,从集成电路7805可以看出,D1~D4四个二板管构成桥式整流电路,7805三端稳压输出供给后级电路工作。核心电路是主控芯片AT89C205l单片机,S1~S6构成键盘输入电路,2为一构成显示电路,3构成报警电路。
弄清大局后,再逐一进行绘制,绘制的电路如下图、下图所示。
