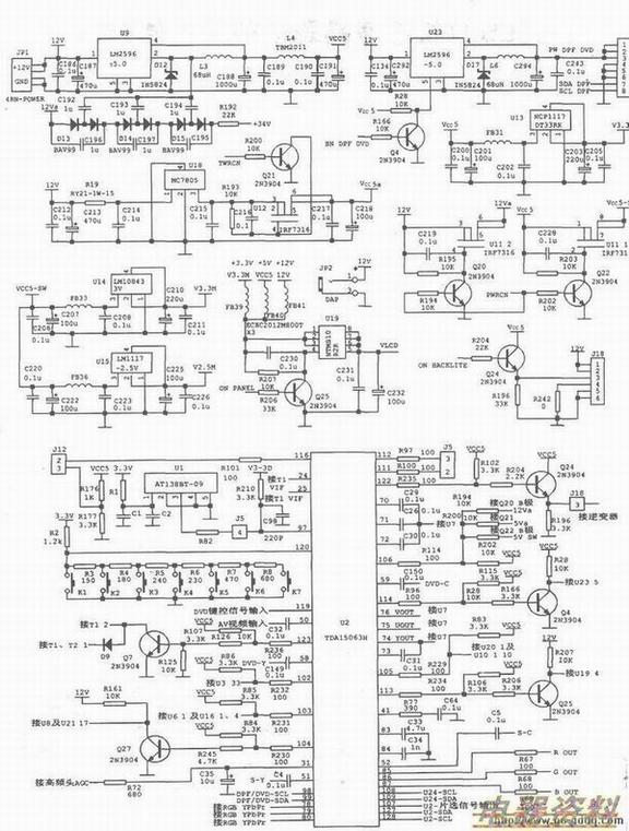
该故障通常会导致电视机出现不能开机、黑屏、亮度异常等现象。相关电路见上图、下图.首先,检查的+12V工作是否正常。若无+12V电压或电压有偏高、偏低、不稳定现象,则检查外置或内置是否存在不良,包括逆变器自身电路是否存在短路现象而导致开关工作异常等。若+12V正常,则检查逆变器的启动或停止控制电压是否正常。在检查过程中,先检测U2@脚输出的+3.3V高(在电视机开启状态下)或ov低电平(在电视机停止状态下)是否正常。若异常则检查U2各引脚的+5v、+3.3V、+1.8V供电是否正常,或检查U2自身及外围元件是否正常。后检查J18(3)脚输出的2.7V电压(在电视机开启状态下)是否正常。若异常则检查Q24、R235、R102、R204及+5v电源是否正常。通过检查逆变器的+12V工作电压及启动或停止控制电压正常,而检测高压输出接口无高压输出时,则确认逆变器电路存在不良。在检查逆变器故障时,先检查+12V电路中的、是否存在开路、短路或性能不良等;后检查各插件、、开关管是否存在开路、虚焊、匝间开路或短路、极间开路或短路及性能不良等;再检查振荡电路、控制电压电路及元件是否存在脱焊、虚焊或性能不良等。最后在屏幕背光灯亮度异常或调节亮度异常时,先分别检查逆变器各高压输出接口的交流电压是否正常,或检查逆变器输出的控制电压是否正常。若异常则检查逆变器自身电路或相关控制电路等。若遇到逆变器的关键元器件难以买到,可选用市场上销售的逆变器来代换,但必须符合三个条件:(1)电路板基本相似;(2)采用+12V电源供电;(3)输出的高压基本相同。另外,有些液晶彩电逆变器的输出电流由调整:有些则直接将控制电压端接地,使屏幕背光灯亮度最强。因此在更换逆变器时要正确处理。
