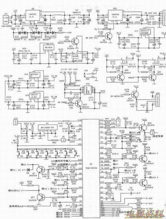
该故障通常会导致电视机出现、不能开机、开机异常、遥控或手控操作异常、黑屏、白屏、图像或伴音信号异常、制式切换异常、屏幕显示异常、DPC/DVD切换异常等现象,相关电路见下图。首先,分别检测U2相关引脚的+5v、+3.3V和+1.8V是否正常,如果某路电压异常,则检查相关电路及元件。如果正常,则检查主板与按键板及遥控板间的连接是否可靠。若异常,则作重新插接或处理,若正常,则按不同的故障现象来选择检查所涉及的相关部位和原因。如遇到“遥控操作失灵”故障时,先接通常的检修方法检查是否正常,后检测Ul(1)脚的+3.3V电压是否正常。如果正常,则检测U2(97)脚是否有(在按遥控器按键的情况下)一定幅度的摆动电压。若无,则说明Ul基本损坏,应选用同型号的予以更换。若有,则说明Ul基本正常,应检查U2相关电路及元件是否存在不良等。
如遇到“不能开机”故障时,先分别检测U2(106)、(14)脚是否输出2.8V和2.5V(开机时)高。如果有,则分别检查Ull—l、ull-2、U12-2.Q9输出端的12VaV5-SW、Vcc5a、V1.8V2电压是否正常。如果不正常,则遥-检查Q20、Q21、Q22、Q26、Ull、U12、Q9、R195、R203、R193、R243等是否存在开路、短路或性能不良等。如果无,则检查U2(97)脚的遥控接收信号和(120)脚的键盘输入信号是否正常,U2(108)、(109)脚的总线信号是否正常,包括检查U2自身是否损坏等。以此类推,只要检修思路清晰,检修方法得当,就会找到故障部位和原因。
