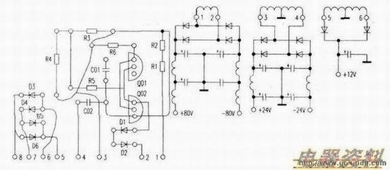
厚膜块的原理见上图。
QSA-2400与QSA—1600功放厚膜块相同。区别在厚膜块里面,QSA-2400厚膜块中(5)、(6)、(7)、(8)脚对应的内部元件未装。OSA—1600厚膜块(5)、(6)、(7)、(8)脚所对应电路装有D3、D4、D5、D6。这四个二极管组成一个桥式。
厚膜块印刷电路板图见下图。尺寸大小要求和厚膜块相近。也可用实验板搭接。元件要求:三极管型号用原设计9014和9015。如用其他管子,由于放大倍数与9014、9015不一样,输出会偏低。增大C01或C02可使电压升高。
厚膜块代换届。用调压器供电。一边升压一边测输出电压。若输出电压正常,再用703硅橡胶把印刷板正反封死。增强耐压和防潮。
