明基液晶显示器检修技巧


  检修前,需要对结构有一个大概的了解:它是由液晶显示屏(PANEL)驱动板、视频处理器、液晶屏驱动板、高压及保护(叉称升压板)、背光灯管连接线、等组成。部分液晶显示器还配有外置。有DC3A/12V和3A/16V两种。不过大部分的显示器开关都是内置在机内,直接用AC220V供电。

  检修经验与技巧
  
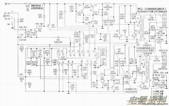
  选用明基Q573(537S)15英寸液晶显示器举例说明,此系列液晶显示器的开关电源与的开关电源区别不大,采用US3842B开关电源模块,输出的为+3.3V和+16V的两组。该系列液晶显示器有个特点:在正常工作情况下,用DT9205A数字表测量+3.3V电压为3.4V,+16V的供电电压为+15.3V;在逆变器电路发生故障。

  保护电路起作用(双背光灯都不工作)时,16V的空载电压就上升至26V;在只有一组背光灯工作的情况下,16V的供电电压为17.6v。所以。+16VC709选用35V耐压的。这一点特别提醒读者,不要盲目一看到供电电压升高就急于检修开关电源电路。又是换光耦(PC123S)又换电源调整块UC3842B。一番鼓捣后却使维修陷入困境。

  修液晶显示器最好准备一个25W/12V的车用灯泡,分别接在保险PF751的两端试验一下开关电源和保险的带载能力,如果供电电压在17.8V左右就可以认定电源基本正常。在测试PF751保险前端电压正常的情况下,将灯接到保险的后端,如果不亮或发光变暗,说明保险PF751性能变差有阻值已经不能再使用了,可选用3M250V的普通保险管代换(不要用彩电以及普通显示器中使用的延时保险)。在检修19英寸以上的液晶显示器时。需选用40W/12V的灯泡试验。以防出现误判。

  另外为了提高检修效率,比较快速的查找故障点。可使用维修电源或者使用电脑主机上的ATX电源盒作为维修电源,电源盒的+3.3V接液晶显示器的开关电源输出C708的正极上,+12V接液晶显示C709的正极上,地线接C709的负极或与其相连接的任意一点上即可。

  要使用ATX电源盒脱机工作。还需把电源盒与主板连接的一组20脚插头中的绿色线(PS—ON/OFF)与插头中的任意一根地线(黑色线)相连接后。即由高位变成低电位。模拟接上了,此时小风扇转动,主电源启动开始正常工作。包括P4电源盒也是如此使用。

  如果使用ATX代用电源故障排除。则应仔细检查显示器电源板:如果故障依旧,就要对逆变器以及保护检测电路。A/D驱动板、液晶屏显示板电路进行检查。开关电源电路和逆变升压电路、保护检测电路都组装在一块电路板上。MD驱动板是一块独立的电路板。它通过CN70112脚插头与电源、逆变升压板相插接,还通过VGA数据插座、线与电脑主机想连接,它输出的驱动信号线为20针连接插头,插接到液晶屏驱动板上的CHKPT1插座上。

  此插头座在检修时一定要小心操作,如果操作不当容易使插座开焊造成接触不良。另外检修15-17英寸液晶显示器时为了检修操作方便还需准备两块厚5—10mm的复合空心纸板或者泡沫塑料板,一块30cm×40cm为液晶屏面的垫板。另一块18cm×30cm作为插入电路板与显示屏背面当作绝缘板使用。这样在检修操作中就比较得心应手了。明基Q5T3(FP537S)液晶显示器的高压逆变器电源电路如附图所示。