断路器的电气控制回路


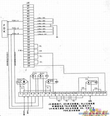
  若要进行遥控操作时,实现对用电系统的自动分、合与保护,就必须要求操动机构具有一个专门的电气控制回路来控制操作机构。根据外来的操作命令,完成断路器的分、合闸、重合闸、自由脱扣等自动操作和进行联锁。下图为电控操动机构内部接线图。

电控操动机构内部接线图  


  
  结合实际情况和工作需要,在机房配电室内,添加一远程控制机箱,线路原理图如下图。可以通过分闸或合闸按钮,远程控制高压配电室的断路器。例如,当按下合闸按钮HA后,接通合闸线圈,带动操动机构的半轴顺时针转动,断路器的触臂完成合闸动作,到位接通电动机储能,同时辅助开关DL也到位,DL-2断开,DL-2/接通,红灯点亮:同理按下分闸按钮后,实现断路器分闸。


线路原理