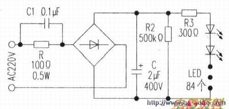
上图是试制市电直接整流的。
产生的热能为,假设K接通电路前C的初始为0.恰好在接近市电峰值时接通,此时,保险最容易烧毁。
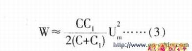
因过渡过程的时间很短(RC =0.4ms).为简化运算,用幅度为Um宽度为3.3ms的矩形脉冲来代替峰值附近的正弦电压(见中图).r为市电及导线、c的引脚接触及整流的电阻的总和,则流过R的


(3)式表明,当r<R时,启动过程中保险电阻产生的热能,仅与串联电容的总容最和电压峰值有关,与R大小无关。即RC串联电路在市电刚好为峰值附近时接通电源,则不管R值为多少,过渡过程结束后,消耗的能量(转化为热能)与市电电压的峰值平方成正比,与电容的容量成正比。虽然R的大小并不影响过渡过程的总能量消耗,但当R增加到一定大小时.过渡过程变得很长,使热量在过渡过程中有部分得以散失,从而使保险电阻的温升减小。但图1电路的过渡过程非常短,电阻几乎处于“绝热”状态(热量来不及向外界传递),因此增加R的阻值,改善其烧毁的效果不明显。
然而,(2)式却提示我们:当r>R时.R上消耗的能量却非常小(能量绝大部分消耗在r上)。
一般情况下r有6n甚至更大,例如将保险电阻选lΩ时,则过渡过程中的能量仅1/6消耗在R上。试验证明,图1电路中R取100Ω/o.5w是可靠的。为保证LED中的不变.R3必须取470Ω。
在保险电阻两端并联一只O.lμF的电容,来分流保险电阻启动电流的做法,也不能解决问题。
加并O.lμF电容后,利用戴维南定理得图1在启动过程中的等效电路如下图.其中等效电源电动 
C∑为等效电源内部总电容由(3)式得,并联O.lμF电容后保险电阻在启动过渡过程中产生的热能为W=0.091可见,它比未并O.lμF电容时产生的热能0.096J减小甚微。同时,它也几乎没有增加电路的时间常数.即没有增加R的散热时间。所以,保险电阻依然可能烧毁。

