非型供电的电子设备,一般均使用小功率进行变换。变压器的规定为初、次级线圈功率的,即

式中Pl和P2分别为变压器初、次级线圈功率。
次级线圈功率P2是决定P1以及变压器其它参数的依据,它又和所接的有关,不同负载形式下P2的计算方法如下表所示。

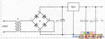
前最普通使用的是变压器一桥式整流一单一三端线性稳压,如下图所示。在该电路中首先应选定滤波C,它又取决于负载和电路要求的纹波电压。变压器次级绕组的U,和Il又和电容C、三端线性稳压器件,负载以及电网电压的设计变动范围有关。这些参数可用计算法、查曲线表格和经验估算法来确定。

根据经验,电容可由式:C(μF)= 1500~2000)Ii(A)确定。对于桥式,变压器次级绕组的Ii为:
![]()
式中ID为通过的电流,Ii为负载电流,上式中忽略了三端稳压器件公共端的电流。
三端稳压器件输入一输出端的最小电压降约为2V,则整流后三端稳压器的输入的最低电压为:

式中U1为负载上的电压。必须注意这是在电网电压最低时,负载电流最大时所应保证的数值。若电网允许最低电压为(0.8~0.9)×220V,则粗略的认为变压器次级绕组的电压为:

Ui(直流输入平均值)和U1(整流前交流输入)之间的关系比较复杂,与电容C、负载电流、次级线圈的内阻等有关,一般认为:

对这种典型电路,考虑到易购买到的成品电源变压器等情况,电压UL(三端输出)和U1(交流输入)之间的通常的取值情况如下表所示。
