●
品书香
>
电子设备技术
>
电器电路基础
>
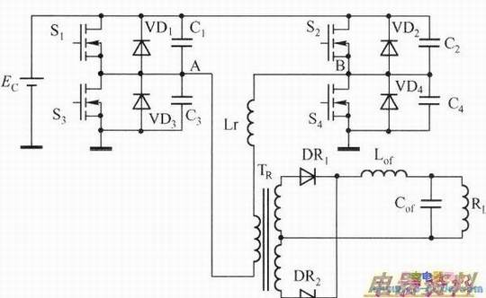
全桥移相零电压开关变换器主电路
全桥变换器可以是移相零开关工作方式,主如下图所示。采用全桥移相零电压开关工作方式基本上可以消除开关管的开关损耗。
上一篇:
移相控制全桥变换器与展宽电压/电流波形关系
下一篇:
半桥LLC谐振变换器
热点内容
·
换用不同型号电源板时的注
·
Windows Vista系统目录浏
·
能让PC机识别的编写源程序
·
放大电路的动态图解分析
·
如何解决Nios II的"L
·
背投彩电三基色光栅的失真
·
逻辑电路的分析与设计
·
太阳能控制器
·
C语言函数参数及返回值
·
学习单片机必然掌握的硬件