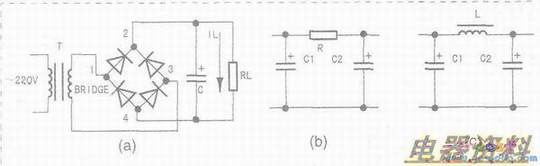
器用于最为广泛,而且通常和器、器联合使用。下图就是在电子中滤波的三种电路。其中(a)为单滤波,(b)为RCπ型,(c)为LCπ型。对交流而言,滤波电容器能降低动态内阻,输出随瞬间变化很小。
上述电路从滤波的角度来看都属于低通滤波器类型。下图则是一种简单而典型的RC有源低通滤波器,其低通带截止(信号电压衰减-3dB,超过每衰减-6dB)为:


下图为压控二阶RC有源高通滤波电路,其通带截止频率为:


低于fp每倍频衰减-12dB:
下图(a)为压控电压源二阶有源带通滤波器,下图(b)为一种常用的带阻滤波器带通和带阻的中心频率为
