液晶电视主板上的信号处理可分为控制系统电路、图像信号处理电路和伴音信号处理电路三大部分。这三部分电路中,相对伴音信号处理电路而言,控制系统电路和图像信号处理电路要复杂一些。
液晶电视中的控制系统电路通常由CPu电路部分、用户、FLASH、地址数据存储器、本机键控电路和遥控接收器等几部分电路组成。看控制系统电路时,首先要找出控制系统电路中的CPU、用户存储器和FLASH。在液晶电视的控制系统电路中,用户存储器和FIASH均由独立的组成,只有CPU有的由独立的集成块组成,有的由非独立的集成块组成(由主芯片中的部分模块电路组成)。
怎样找出控制系统电路中的CPU呢?液晶电视控制系统电路中的CPU电路部分与CRT彩电中的CPU一样,不论是由独立集成块组成,还是由非独立的集成块组成,一定有很多控制量输出,如:静音控制(MUTE),开/待机控制(STANDBY或POWER-ON/OFF),驱动控制(LED_RED)等。
找到了CPU,其他两块集成块(用户存储器和FLASH)就好找了。用户存储器与CRT彩电中所用的存储器相同,CPU与之相连接的也是IzC总线(SDA、SCL)和读写控制线(WP)。
FLASH通常采用下图所示的电路,FLASH与CPU之间通过时钟线(CK)、数据线(DI、DO)、片选线(CS)和读写控制线(l/WP)相连。

根据上面介绍的看控制系统电路图的方法,让我们尝试一下看看如何找出海信TLM3207A系列液晶(1578板)电视主板电路中的控制系统电路。
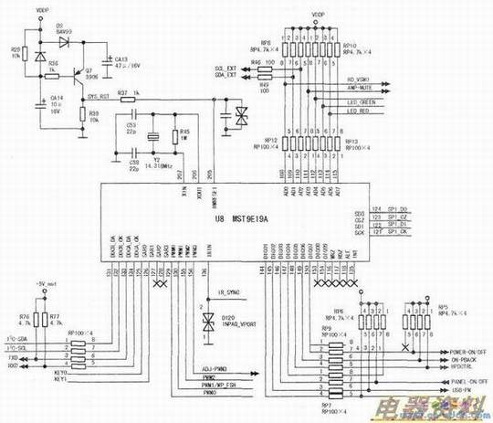
首先,从电路原理图中寻找出CPU,我们发现第3张电路图中的主芯片U8(MST9E19A)输出很多控制量如:POWER-ON/OFF、LED_RED等与我们前面介绍的完全一样,这说明该机的CPU部分是由主芯片U8内部部分模块电路组成的。上图为与CPU有关的相关电路的组成情况,这是将主板电路原理图中与CPU有关的电路从主板电路原理图中移出后单独绘制成的新电路,其目的是为了使大家更直观地了解控制系统电路中的CPU部分电路的组成情况。如从电路图上所标注的符号:KEYO和KEY1(本机键控输入,来自本机控制键)、ON-PBACK(背光板驱动电路启动控制输出,通过三极管Q4输往背光灯驱动板)、PANEL-ON/OFF(上屏供电电压控制输出,通过Q31、Q30控制U24的工作状态,将+12V或+5V电压送往屏上的逻辑板,见下图)等了解CPU部分有哪些控制量输出和对哪些电路进行了控制。


CPU部分电路找到后,下一步就是在主板电路原理图中找出用户存储器和FLASH了。在主板的电路原理图中,满足前面讲的用户存储器和FLASH条件的是由集成块U10(24C32)和U9(PS25VF040)组成的电路,见下图。控制系统电路中的主要电路就全部找到了。将三个图中的电路和本机键控电路、遥控接收电路组合在一起,一个完整的控制系统电路就呈现在我们面前了。弄清了控制系统电路的组成情况,检修电视机功能不正常、不开机、有光栅无图像等涉及控制系统电路的故障时,需要检查的元件就好确定了。
