永磁操作机构是国内近几年开始制造井投入应用的真空操作机构,具有出力大、重量轻、操控方便、动作可靠、所需的容量较小等优点。永磁操作机构使用的零件数量比弹簧机构减少了90%以上,结构大为简化。在合闸位置,操作机构的永久磁铁利用动、静铁心提供的低抗通道将动铁心保持在合闸位置:在分闸位置,通过分闸弹簧保持;因此机械传动非常简洁。真空灭弧室触头运动平稳,无拒合、拒分及误合、误分现象。手动分闸也灵活方便。
将永磁体应用于脱扣器,国外早在上世纪60年代就已开始研究,直到上世纪80年代新型永磁体钕铁硼稀土材料的出现才为永磁技术应用奠定了基础。国际着名电器生产商ABB公司研制成功的VMI真空断路器配置的就是双稳态双线圈永磁操作机构。国内目前已有几十个厂家能生产永磁机构,经过数年的运行实践,证明这种机构是一种简单可靠、性能卓越、免调试、免维护的机构,寿命可达10万次以上。永磁机构近期内将与弹簧机构并驾齐驱,以后可能逐渐成为主流产品。下图是一种永磁操作机构的外形图。

1.工作原理
永磁操作机构可以采用一个合闸、分闸公用的合、分闸线圈,这一点与电磁操作机构、弹簧储能操作机构不同,后者的合闸线圈与分闸线圈是各自独立的。合闸时,控制向合、分闸线圈提供驱动,线圈电流产生的磁场与永久磁铁产生的磁场方向一致,相互叠加,使操作机构驱动力大于断路器的分闸保持力,动铁心开始运动而使磁隙减小,操作机构的驱动力随着磁隙的减小而急剧增大,最终将动铁心推到合闸位置。由于合闸届铁磁回路已经闭合,永磁体的磁场力已足以满足断路器维持合闸的需求,从而使断路器保持在合闸状态,因此合闸后控制电路按程序设定的保护时间切断线圈。
分闸时,向合、分闸线圈施加一个与合闸时极性相反的分闸电流,该电流产生的磁场与永磁体产生的磁场方向相反,削弱了铁磁回路的磁场,使剩余磁力小于断路器的合闸保持力,在分闸电磁力、分闸弹簧和触头弹簧的共同作用下,动铁心回复到分闸位置,井保持在分闸状态。
2.操作电源
断路器操作机构使用的直流电源通常由配电室直流屏提供.为了保证直流系统在异常停电时断路器仍能可靠跳闸,宣流屏应配置或器,正常工作时它们处于浮充电状态。当前常用配置蓄电池的直流屏作为合、分闸的直流电源,而永磁机构由于所需的电源容量较小,特别适合采用配置器的直流屏作为合、分闸的直流电源。
永磁机构完成一次分/合,分的操作,所需能量在250焦耳以下,电容器完全可以满足这一要求。由于电容器容量较小,只需几秒至10秒时间即可充满电,充电电流也在2A范围以内,所以电源容量一般在100VA以下.即便停电24小时仍能进行分闸操作。另外,从供电性质来看,合、分闸操作的冲击性性质很适合由电容器供电,而冲击性负载对蓄电池是很不利的。三是从充电电源来考虑,电容器对、稳压要求不高。四是电容器能经受短路的冲击,可放电到任意不受损坏,而营电池在这些性能上都不及电容器。五是从经济上讲,电容器比蓄电池投资省、重量轻、寿命长、维护简单。因此,只要电容器容量足够大,作为合、分闸的能源是非常理想的。
3.控制电路实例
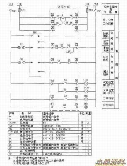
现以ZN139型断路器配置的永磁操作机构为例,介绍其技术参数和控制电路。
这种永磁操作机构主要技术参数见下表。

ZN139型真空断路器由于安装使用条件的不同,可有几种控制电路方案,图6是手车式断路器的一种推荐控制电路方案。电路中使用配电室提供的直流合闸操作电源+HM、-HM及控制电源+KM、-KM,电压值为DC220V。图中的“BH”是微机保护装置,虽然其价格略高.但由于功能强大,随着安全生产意识的提高,使用巳日渐普及。它可以实现电压测量、电流测量、过电压保护、欠电压保护、CT(电流器)断线检测、PT()断线检测、定时限过流保护、反时限过流保护、遮断保护、零序电流保护、负序电流保护、电动机启动时间过长保护、过热保护、控制回路异常报警、遥信、遥控及遥测、装置自身故障告警等功能。下图中只画出了与真空断路器手动合、分闸控制相关的部分接线。手动合闸时,操作KK开关至合闸位置,其触头5、8接通,微机保护器BH内的相应触点在系统正常时呈闭合状态,合闸HK线圈得电,其触点动作吸合,合、分闸线圈L被接入合闸操作电源+HM,-HM的电路中,线圈L的左端接+HM.右端接-HM,产生的电磁力使真空断路器合闸。手动分闸时,操作KK开关至眺闸位置,其触头6、7接通,微机保护器BH内的相应触点在系统正常时星闭合状态,跳闸继电器TK线圈得电,其触点动作吸合,合、分闸线圈L也被接入合闸操作电源+HM、-HM的电路中,但跳闸时线圈L接入的电源极性与合闸时相反,即线圈L的左端接-HM,右端接+HM.产生的电磁力使真空断路器分闸。由于分闸需要的电流较小,所以在电路中串人了限流R。
