和利用双极工艺中隐埋层集电极实现探测器和 接收器 集成相比,利用C MOS 工艺集成探测器接收器所需的额外工艺 步骤要少得多。利用自备低掺杂衬底,在双阱工艺基础上只需一层额外掩模版以掩蔽 区调整栅开启的 掺杂过程。为了得到较宽的耗尽区宽度以提高探测器速度和响应度,较低的外延层掺杂浓度是必需的。双极工艺中改变掺杂浓度会由于Kirk效应引起 增益和 的下降,而在工艺中,由于N沟和P沟器件分别制作在阱中,因此外延层掺杂浓度的减 小对晶体管特性的影响较小。
图1是单 工作的探测器接收器 图。放大 包含三个级,M1、M2、M3和RF反馈 构成共源跨阻输 入级,源跟随器M2、M5、M8和 电流源 M3、M6、M9作为移位。如果没有电平移位,那么M1的栅源电压VGs将会很 大,减小了探测器的偏压,使光生电流的上升和下降时间变长,导致探测器性能变差。为了减小M2、M5、M8的阈 值电压,其栅的开启电压的掺杂过程被掩蔽,这样可以得到阈值电压为0.4V的晶体管。反馈增加了带宽,稳 定了增益,使工艺容差增大。

图1 单片探测器接收器图
图2是一种器结构的OE,探测器采用P型叉指结构 光电二极管 ,接收器采用三级反相器。由于8的有源反馈 ,M1和M2形成跨阻反向输入级,通过调节M8栅极电压能改变跨阻阻值使接收器性能最佳。输入级具有将光电流转换为电压的能力,光电流流经有源反馈M8形成和光电流大小成比例的电压。第二级反相器M3和M4起到放大电压作 用。NMOS有源M5不仅具有减小增益增大带宽的作用,还起到稳定转换阈值的作用。第三级反相器M6和M7进一 步放大电压,提高增益,形成数字逻辑电平输出。对于这样的直流耦合反相器结构,为了优化性能应该仔细调节 M5和M8的宽长比。
电压在1.8 V和3.3 V之间变化,在电压为2.2 V时得到最佳灵敏度。当VDD=2.2 V、VPD=10V时,在比特率 为1 Gb/s,误码率为10-9下灵敏度为-6.3 dBm。较低的灵敏度是由于探测器的响应度低引起的,该OEIC的另一缺 点是探测器偏压较大,需要 双电源 供电。

图2 反相器接收器OEIC
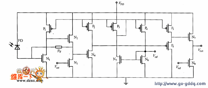
图3是利用SOl衬底,通过o.25μm的CMOS SOl工艺得到的低工作电压的OEIC。

图3 利用SOl衬底通过CMOS实现OEIC
该0EIC探测器采用SOl衬底横向结构,由于SOl的硅层厚度很薄(50 nm),因此在较低偏压下即可形成耗尽区 并且会由于雪崩效应得到较大的响应度(o.4 A/W)。接收电路的输入级N1为NMOS共源结构,P1为有源负载。 N2源跟随器减小了输入级的输出,N3为电流源,N4将电压放大。P6为源跟随器具有电平移位的功能,提高直流电压幅值以驱动N7源跟随器,进一步减小输出。P3、P4、N5和N6形成镜像电流源,P1、P2和P5通过P3得到镜像电流值。OEIC总面积为650×400μm2,在2V单电源偏压下,对于850 nm入射光带宽达1G,灵敏度为-13dBm。
欢迎转载,信息来源维库 电子 市场网( www.dzsc.com )