调频广播与有线电视的共缆传输


  目前有线电视在农村的普及率已有大幅度提高,为调频广播通过有线电视网进入千家万户创造了良好的条件。农村有线广播由于原有线路音质差,故障多,抗灾能力弱,不安全。日常维护工作量大且成本高等多种原因,现已削弱了许多,为了彻底改变以上情况,提高有线广播的入户率和通向率,改善农村有线广播的质量,降低维护成本,节约乡镇机房用电量,拓展光缆有线电视网的业务功能,采用与有线电视网共缆传输调频广播不失为一个好途径。  

  一、网络调频广播的特点
  
  该系统利用现有的有线电视网传输。操作方便,经济实用。在有线电视光缆已联网的市、乡镇、村三级均采用同一个调频。它把市广播电台的音频信号输入到共缆型调频,器的输出信号输入到有线电视频道混合器,混合后的调频广播信号和有线电视信号输入到光发机,通过光缆干线传输到各个乡镇。乡镇站通过光收机输出信号,通过有线电视网络共缆传到每个用户。用户端采用双孔终端,在插孔上接上同频点、同频式调频音箱。即可收听到清晰优美的广播信号了。

  当市广播电台播音时,广播信号通过共缆型调频调制器调制后,与CATV信号混合进入HFC网。此时由于设在乡镇或村干线上的开关式高频窄带陷波器处于短路状态,所以市台的广播信号即可直传到用户。当乡镇、村需要插入播音时。只要把设在乡镇、村的同频共缆型调频调制器开关合上,此时输出一个开关信号给高频窄带陷波器使其工作,该陷波器将市台的信号陷掉。同时将乡镇的同频广播信号混入有线电视网,传输给本乡镇的用户。而不会对整个系统产生任何干扰。在有线电视光缆未联网的乡镇。当地的有线电视在前端可将市台广播信号接入共缆调频调制器后,再送入本地有线电视网,传送给用户。

  对只装FM不装TV的用户,在其终端盒之前加FM/TV分割器。将TV信号衰减至<26dB.使其无法正常收看TV信号。而FM的信号保持在40dB以上。保证正常收听FM信号。共缆型调频调制器(FM-2000SF)采用全电脑,88~108M捷变频、频显、全电脑控制,线路双输入,主机采用外接晶体频率源,晶体本身频率稳定度达到1.0x 10-6,从而使整机频率稳定度达1.0xl0(-3),带外抑制比达到-60dB以上,解决了长期困扰人们的调频共缆的“频漂”问题,有源陷波器的陷波量在40dB以上,保证无两个同频信号传输到点频喇叭。由于市台调频广播的频率一般在88~108MHz,在共缆时将会对有线电视5频道的伴音产生干扰。因为有线电视5频道的频率为84~92MHz。因此为了不对5频道干扰,根据工程实际一般设置下传频率在100~108MHz之间。

  二、网络调频广播的设计
  
  点频式调频音箱有两种:一是成品的调频音箱直接代替舌簧喇叭。二是已经使用动圈喇叭的乡镇,可采用TFD300调频接收器,将调频信号成音频信号放大后直接接入原动圈喇叭音箱,经济实惠,音质也优美。

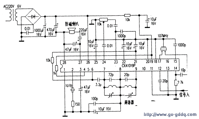
  成品的调频音箱一般采用CX-A1019P,其接收灵敏度为lO~15dB,而在CATV系统中实现共缆传输,其灵敏度不宜太高。根据各地实际情况,一般用户是65±3dB,FM比TV低12dB左右,即≥40±2dB就能正常收听,若低于此值调频音箱就处于静音状态。

  三、网络调频广播的扩展
  
  以上谈及的点频式调频广播音箱。仍为被动收听,且仅能收听一个频率(节目)。但现在的市广播电台多数都有两套以上的频率(节目)播出,而用户也需要多节目的选择性主动收听。根据这种情况,用以上第二点谈及的方法,将信号送到有线电视网,此时用户应使用可的调频音箱。附图为一款与有线电视共缆传输的可调谐调频音箱的电原理图。如将其作为一种商品投放市场,则可采用电调谐、立体声、自动开关机等技术,设计不同款式的外壳,就可生产出不同档次、款式的网络调频广播音箱了。如把这一设计理念运用到电视机或家庭影院上,还可生产出一种既能收看电视节目。又能收听广播的又一多功能的新品来。

  总之,调频共缆传输的优点明显,频点利用率高,安装操作简单,经济实惠,发展前景广,是一种有线广播传输的理想方式。