| 功率放大是一种能量转换的,在输入信号的作用下,把直流的能量,转换成随输入信号变化的输出功率送给,对功率放大要求如下: (1)输出功率要大:要增加放大器的输出功率,必须使晶体管运行在极限的工作区域附近,由M、UCM和决定见图一。 |
![]() ![]() 图一 |
| (2)效率η要高:放大器的效率η定义为:η=交流输出功率/直流输入功率 (3)非线性在允许范围内:由于在大信号下工作,所以非线性失真是难免的,问题是要把失真控制在允许范围内, 按工作状态和电路形式可分成以下几种: (1):在整个信号内,存在集电极; (2)功率放大器:只有半个信号周期内,存在集电极电流,按电路形式它又可分为: 1)双端推挽电路(DEPP) 2)单端推挽电路(SEPP) 3)平衡无电路(BTL) 在实际中,为了克服交越失真,推挽式昌体管电路是工作于甲、乙类状态的。 |
| 一、甲类功率放大器 |
|
图一是甲类功率放大器,负载RL通过变换器B变成集电极负载RL=n |
| 可见:(1)晶体管的最大集射电压为电源电压EC的两倍。 (2)晶体管静态时耗功率为输出功率的两倍。 (3)甲类放大器的效率最高只有50%。 |
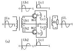
| 二、乙类推挽电路 |
| 图2(a)为乙类推挽电路,由于输出端使用变压器,因而晶体管对地有两个输出端,设电路完全对称,当输入信号Us为正半波时,BG1截止、BG2导通,输出电压UL为负半波,因此,两管轮流导通,一推一挽地工作,故称为推挽电路。 由于两管轮流地工作,所以把两管的输出特性按相反方向叠在一起,两管的交流负载线正好连成直线ab,工作点Q处于直线ab的中点,如图2(b)所示,从图中可看出各电量的关系: (1)如输出变压器的初级和次级绕组的匝数比为n,则每只晶体管的负载RL为: RL=(n/2) 而集电极与集电极之间的R为 Rcc=n (2)变压器B2的初级绕组端电压振幅为: Ucem=UceQ≈Ec----------------------------------------------------式8 初级绕组电流振幅为: Icm=IcM----------------------------------------------------------式9 所以输送到初级绕组的功率为: Ps=(Ucem/ (3)通过每只晶体管的电流为: Ico=IcM/π-------------------------------------------------------式11 由直流电源供给的功率为 PD=(2Ico)Ec=2×(Icm/π)×Ec--------------------------------------式12 (4)推挽电路的效率为: η=(Ps/PD)100%={(1/2×Ec×Icm)/[2×(Icm/π)×Ec]}100%≈78.5%-----式13 设计推挽电路时要注意: (1)为避免交越失真,晶体管应具有一定的偏置电流,但不要过大,否则使电路效率降低。 (2)晶体管的最大集电极电压Ucm>2Ec。 (3)晶体管的耗散功率Pcm≥1.2Pc1,其中Pc1为每只晶体管送给变压器B2初级的功率,即Pc1=[(1/2)Pso]。 (4)根据Pc1及Ec1的要求,算出晶体管负载电阻PL及输出变压器的匝数比n。 |
![]() ![]() 图2 |



