单端式直流放大器需要解决级间直流配置问题,如下图(a)的电路是利用Re2拉低BG2的射极电位以满足直流电平配置要求(即令Ube2=Uc1-Ue2).下图(b)的电路是利用D1及D2作电平配置。使BG2、BG3的偏听偏信置分别为Ube2=0.3伏、Ube3=0.45伏。D3起保护作用,避免使BG1基极受到过大的反压,如果前级输出电压主和后级输入电压相差较大,可以利用硅的稳定电压来代替硅的作用。下图C的电路是利用较大的Rc1、Rc2来提高集电极电压,以实现前后级直流电平的配置。下图D的电路是利用(BG1和BG3)与NPN(BG2)的极性相反来进行电平配置于,BG1的输出是BG2的输入电流,BG2的输出电流是BG2的输出电流是BG3输入电流,较好地实现了级间耦合,上述四种电路的最大缺点是零点漂移大。
![]() |
![]() |
![]() |
![]() |
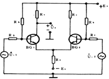
| 二、差动式直流放大器 | |
| 图2(a)是差动式直流放大电路的一种型式。它是由BG1、BG2一对特性相同的组成,而且电路元件也都是对称的。输入信号人别为Ui1、Ui2;单端输出信号分别是Uc1、Uc2;双端输出为UC1与UC2之差,即UO=UC1-UC2O差动电路具有下列特点: 1、具有抑制零点漂移能力 差动电路由于管特性相同和电路元件对称,所以当温度升高时,两管的集电极电流将得到同样的增量,即△IC1=△IC20而双端输出为UO=△IC1RC-△IC2RC=0,所以输出没有零点漂移。 2、共模输入时,具有抑制放大能力 通常把幅度相等,相同的一对输入信号,称为共模信号,由下列电路图A可见,当Ui1=Ui2时,在对称条件下,则双端输出Uo=KUil-KUi2=0, 3、差模输入时,具有放大能力 通常把幅度相等,相位相反的一对输入信号,称为差模信号。当Ui1=-Ui2差模输入时,两面三刀管集电极输出分别为Uc1=-KUi1、Uc2=-KUi2;所以,差模放大倍数Kud: Kud=(Uc1-Uc2)/(Ui1-Ui2)=(-Ui1K-Ui1K)/2Ui1=-K=(-)(hfeRc)/(Rs+hie) 由于差动电路的双端输入电压、双端输出电压均比单管共射放大电路多了一倍,所以差模放大倍数Kud与单管共射电路的放大倍数相同 为提高抑制零漂能力,应使共模放大倍数越小越好,差模放大倍数越大越好,因而利用共模抑制比CMRR*=Kud/Kuc作为评价差动放大电路性能好坏的重要指标。 | |
| 图2 | |
![]() |
![]() |
![]() |
![]() |
| 4、具有稳定静态工作点的能力 图2(a)的射极度Re对共模信号及温漂电平均有很强的负反馈作用。例如在温度升高时,1、Ic2都同时增加,并产生下列负反馈过程: |
|
| 结果使IC1、IC2的实际变化相对地减小,这里Re起着恒流作用,从而稳定静态工作点,显然Re越大,恒流作用也越大,抑制零漂的能力也就越强,引入辅助电,以抵消Re的压隆。使射极度对地电位能维持正常的数值。值得注意的是,对差模信号,Re不起负反馈作用,因此,它不会降低差模信号的放大倍数。 |
| ||||||||||||||||||||||||||||||||||||||||







