摘要
激光曾被视为神秘之光,并已被人类广泛使用。近年来,科学家研究发现了一种更为奇特的光--飞秒激光,飞秒激光是人类目前在实验室条件下所能获得最短脉冲的技术手段,它在瞬间发出的巨大功率比全世界发电总功率还大。本文介绍了飞秒激光的特点以及飞秒激光技术的应用情况,着重介绍了在超大容量(Tb/s级)光纤通信系统中,飞秒激光技术的关键性。
一、 飞秒激光技术概况
超快光学是指皮秒、飞秒光脉冲产生、放大、压缩、测量、控制及其应用的一门具有广泛应用前景的学科,它将对社会经济的发展起到巨大的带动作用。飞秒激光技术是超快光学的核心,是八十年代初期诞生并迅速发展起来的激光前沿研究领域和新的科学技术分支,其发展直接关系到信息科学的进步和物理、化学、生物、材料科学的研究向更深层次的发展,其突出特点是:
1.
脉冲宽度极短,可达飞秒(10-15秒),它比利用电子学方法所获得的最短脉冲要短几千倍,是当前人类在实验室条件下能够获得的最短脉冲的唯一技术手段。
2.
经放大后峰值功率极高,可达太瓦(1012W)以上,经聚焦,峰值功率密度可达1018~1020瓦/cm2,其强度超过了原子内部的库仑场。
高功率飞秒激光系统由四部分组成:振荡器、展宽器、放大器和压缩器。在振荡器内,利用一种特殊技术获得飞秒激光脉冲。展宽器将这个飞秒种子脉冲按不同波长在时间上拉开。放大器使这一展宽的脉冲获得充分能量。压缩器把放大后的不同成分的光谱再会聚到一起,恢复到飞秒宽度,从而形成具有极高瞬时功率的飞秒激光脉冲。
由于飞秒激光的超短脉冲宽度,飞秒激光技术已经成为研究物理、化学、生物学中原子、分子的超快过程,揭示微观物质运动规律的基础研究手段。众所周知,物质是由分子和原子组成的,但是它们不是静止的,都在皮秒甚至更短的时间量级里快速地运动着,这是微观物质的一个非常重要的基本属性。飞秒激光的出现使人类第一次在原子和电子的层面上观察到这一超快运动过程。基于这些科学上的发现,飞秒激光在物理学、生物学、化学控制反应、光通讯等领域中得到了广泛应用。特别值得提出的是,由于飞秒激光具有快速和高分辨率特性,它在病变早期诊断、医学成像和生物活体检测、外科医疗及超小型卫星的制造上都有其独特的优点和不可替代的作用。
由于飞秒激光脉冲的超高峰值功率,飞秒激光技术又是产生激光等离子体、超短X激光、新一代粒子加速器和激光核聚变快速点火的高新技术途径。物质在高强度飞秒激光的作用下会出现非常奇特的现象:气态、液态、固态的物质瞬息间变成了等离子体。这种等离子体可以辐射出各种波长的射线的激光。高功率飞秒激光与电子束碰撞能够产生硬X射线飞秒激光,产生β射线激光,产生正负电子对。利用飞秒激光能够非常有效地加速电子,使加速器的规模得到上千倍的压缩。高功率飞秒激光在医学、超精细微加工、高密度信息储存和记录方面都有着很好的发展前景。高功率飞秒激光还可以将大气击穿,从而制造放电通道,实现人工引雷,避免飞机、火箭、发电厂因天然雷击而造成的灾难性破坏。高功率飞秒激光与物质相互作用,能够产生足够数量的中子,实现激光受控核聚变的快速点火。从而为人类实现新一代能源开辟一条崭新的途径。
人类正在步入知识经济时代与信息化社会。信息的流量以每年34%的速率增长。要有效地利用信息,就要不断提高信息的传输、交换与处理的速度。由于普通电磁波的频率及电子在半导体中速度的限制,信息传输的速率和容量都受到限制。光波的频率是普通电磁波的105倍,光速是半导体材料中电子速度的1000倍,光子还具有空间与波长方面的并行处理能力。因此,以光子作为信息载体的通讯与信息处理技术将成为现代通信的主体。知识经济正是以光学经济为特征。飞秒技术将为光通讯提供高重复频率的超短光源、超快速光开关、光调制器和光控测器。飞秒激光脉冲由于它极短的脉冲宽度和与之相伴的宽带,将为提高光学时分复用和波分复用的信道数目提供方便,从而大大增加光纤通讯的容量。
二、 飞秒激光技术对超大容量光通信起关键作用
自从二十世纪八十年代早期以来,光通信技术一直持续飞速发展。信息传送容量不断膨胀,目前的商用光通信系统已经运行于10Gbps的传输速率之上。但是,随着互联网和移动电话应用的爆炸性扩张,目前的通信容量不足以支撑起未来基于多媒体的通信需求。据预测,到2010年[4],通信系统的传输速率要求达到5-100Tbps 。这种性能要求不可能通过简单的修改目前的系统来达到。目前,要达到这种新一代的Tb/s级超大容量光通信的要求主要有两种途径:
1. 密集波分复用DWDM(Dense Wavelength Division
Multiplexing)
波分复用技术是把不同波长的多个信道用同一根光纤来传输。目前能达到的最新技术指标是:在1550nm波长窗口用的宽带掺铒光纤放大器(WEDFA)使可提供平坦增益的波长范围已从约30nm加宽到80nm,信道波长间隔已缩至0.25nm。如果实现100
nm范围内间隔0.25nm的密集波分复用,其复用路数多达400路以上,以每路2.5Gb/s计算即可达1Tb/s。虽然全世界都在积极发展DWDM技术,可是,随着信道数目的增加,DWDM将遇到很大的技术难题而变得不实用,例如信道的管理和监控问题,增益平坦度问题,非线性串扰问题以及复用/解复用问题等。
2. 光时分复用OTDM(Optical Time Division
Multiplexing)
电子学能达到的数字速率极限一般认为是10Gb/s,称为“电子瓶颈”,为了进一步提高单一信道的比特率,必须通过OTDM来突破“电子瓶颈”的限制。这必须依靠超快和全光器件。要建立一套实用的OTDM系统,可靠、小型、廉价的飞秒光电半导体器件是必不可少的,其中尤其是飞秒激光脉冲光源和飞秒全光开关。
1 )
飞秒激光脉冲产生技术
要为Tb/s级光通信提供稳定的信号源,激光器必须能产生峰值光强稳定的高重复频率超快脉冲序列。实现飞秒脉冲光源有多种方案,例如:
光纤飞秒激光器
采用超连续光源,超连续光源的产生主要是利用光纤内的各种非线性效应引起谱展宽,综合利用光纤的非线性效应和色散效应引起的孤子效应产生变换极限的超短脉冲,通过光谱切片技术选出一系列不同波长的光源;
采用多波长锁模光纤激光器,即采用光纤光栅或滤波器作为选频器件,或采用色散补偿光纤增加腔内色散实现多个波长振荡,得到多波长输出的锁模脉冲。
采用主动锁模掺铒光纤环形激光器(ML-EDFRL)产生锁模超短脉冲序列,通过高饱和输出功率的掺铒光纤放大器(EDFA)将脉冲峰值功率放大到1W以上,然后泵浦超连续光纤,产生宽带、强度平坦的超连续(SC)光谱。这样,通过光学带通滤波器(OBF)就可以取出一系列脉宽可调(皮秒量级到飞秒量级)的近变换极限脉冲
半导体飞秒激光器
采用多个增益开关半导体激光器,通过高速调制产生比调制电脉冲窄得多的光脉冲,通过正色散光纤和滤波器消啁啾技术得到一系列不同波长的变换极限OTDM/WDM光源;
采用脉冲碰撞锁模分立封闭异质节多量子井(GRIN-SCHMQW)半导体激光器,可以产生非常稳定的500GHz光脉冲序列。利用谐波同步锁模技术很好的抑制了信号抖动。再对500GHz脉冲利用光纤倍增技术实现1THz的信号源[1]。
最近,日本FESTA实验室通过半导体激光器结合光纤脉冲压缩技术,产生了世界上最短的光脉冲[3]。飞秒级光脉冲在传播过程中,受到的色散影响将会很严重,必须采取必要的色散补偿措施。FESTA利用色散补偿光纤方法实现了250fs光脉冲的139km的传输[1]。
2 )
光子节点器件技术
在新一代光通信网络中,光子节点结构的设计是一个关键课题。光子节点需要用到各种各样的光开关,实现光信息系统中大容量信息在网络光路中高速分组切换与选择吸收。这些光开关的动作必须由光子来触发,因为其开关时间要求达到100fs的量级,用电子的方法不可能达到这样的速度。全光开关一般是基于超快非线性光学原理的,最近多种新型的飞秒全光开关受到重视,例如
基于半导体量子井交叉能带跃迁
用这种新型光开关(InGaAs/AlAsSb耦合量子井)[1],成功实现了1Tb/s的解复用。

InGaAs/AlAsSb耦合量子井半导体全光开关
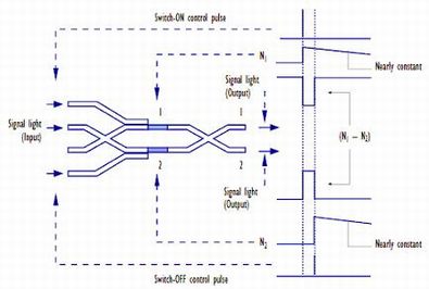
基于对称 Mach-Zehnder(SMZ)
SMZ可以用长迟豫时间的非线性光学材料做成飞秒级的全光开关。使用两臂信号光偏振态相异的SMZ[2]
实现了1.5Tb/s的解复用。

对称 Mach-Zehnder(SMZ)型全光开关
参考文献
[1] F u j i o S a i t o , Femtosecond Optoelectronics Opening a New
Route for the New-generation Photonic Networking, Network Design/Technology
[2] Shigeru Nakamura, Yoshiyasu Ueno and Kazuhito Tajima, IEEE Photonics
Technol. Lett., 10, pp. 1,575–1,577, 1998.
[3] Y. Matsui, et al, Proc.
European Conf. Optical Commun., 1999, ECOC'99, Nice, Part II, p. 22
[4] OSAMU
WADA , Femtosecond Optoelectronic Devices for Telecommunications with
Terabits-per-second Data Rates and Beyond, Compound Semiconductor Magazine 2000
Volume 6 No. 1
[5] 王清月, 《飞秒激光技术及其相关学科》, 量子电子学,Vol 11 No.4, 1994
[6]
《超快激光和电光技术迅速发展》,国外激光,10,1994