有关单股铜芯导线的接线方法,在实际的电气线路中,单股铜芯导线的连接方法主要有一字连接、T字连接与十字连接三种,一起来看下具体的接线方法。
单股铜芯导线的连接方法
单股铜芯导线是指6mm2以下的绝缘导线,主要有1mm2、1.5mm2、2.5mm2、4mm2、6mm2等,共有三种接线连接方法。
1、单股铜芯导线直线(一字)连接
单股直线连接要求缠绕5~7圈,如图1。

图1,单股直线连接
2、单股铜芯导线分支(T字)连接
分支连接有背扣和不背扣两种。将支路芯线的线头与干线十字相交,使支路芯线根部留出3~5mm,然后按顺时针方向缠绕支路芯线,缠绕6~8圈。
用钢丝钳切去余下的芯线,并钳平芯线末端,如图2。

图2,不背扣分支连接
较小截面积芯线可按如图3,环绕成结状,然后将支路芯线线头抽紧扳直,向左紧密地缠绕6~8圈,剪去多余芯线,钳平切口毛刺。

图3, 背扣分支连接
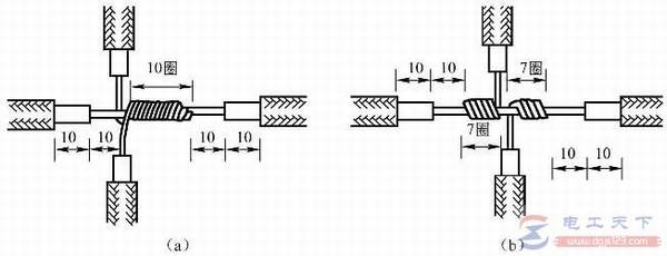
3、单股铜芯导线十字接头连接
单股导线十字接头常用于分支线较多的场合,接头切剥掉100~150mm,缠绕7~10圈,紧密缠绕,接触要求可靠,如图4。

图4,单股铜芯导线十字接头连接
以上就是单股铜芯导线的几种连接方法,主要为(一字)连接、分支(T字)连接与十字接头连接的接线方法,希望对大家有所帮助。