星三角控制电路怎么接线,这种电路看起简单,但要想把线接好也是不容易的。
以下是自己实现的星三角控制电路接线方法,一起来学习下。

星三角起动电路中需要的元件:一个断路器、一个三相电机、三个交流接触器、一个时间继电器,电源指示灯(起动、停止、运行)。
星三角启动电路实物接线图

几个星三角启动的电路实物接线图,整个接线图中包括停止按钮、启动按钮、时间继电器与电动机接线盒等设备,需要的朋友参考下。
一文看懂二个星三角启动二次线的接线电路图

现在很多的星三角降压启动已是软启动了,但经典的星三角的接线电路图,还是需要学习下的,有关二次线的实物接线,一个是手动星三角,一个是自动星三角,有需要的朋友参考下。
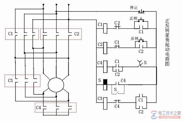
星三角启动电机实现正反转的电路接线图

有关星三角启动电机正反转的电路图,提供了三张图供大家学习,学习下电动机星三角启动实现正反转控制电路的接线方法,需要的朋友参考下。