有关电机正反转控制的电路,电动机实现正反转互锁控制有两种方法,一种是电气互锁,另一种是机械互锁,下面从软硬件两方面对保护的实施进行说明,一起来学习下。
电机正反转互锁控制电路
用控制正向运行的接触器断开作为反向运行的接触器吸合的一个条件,或用电机反向运行的接触器断开作为正向运行的接触器吸合的一个条件就是互锁控制。
电动机实现正反转互锁控制有两种方法,一种是电气互锁,另一种是机械互锁。电气互锁是将正反转接触器的常闭触点串接进另一个接触器的控制线圈回路来实现,机械互锁是通过外部机械连杆保证两个接触器铁芯不会同时吸合。
三相电机通过简单换相即可实现旋转方向的改变,所以在实际应用中大多通过两个接触器实现正反转控制,但应注意两个接触器不能同时导通,否则就会引起短路故障。
因此,就需要通过必要的手段进行保护,大多系统实现plc控制,下面从软硬件两方面对保护的实施进行说明。
1、 硬件防护
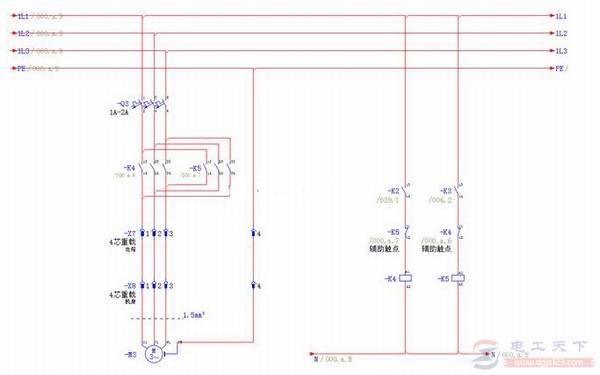
这是传统且常见的防护措施,以下是电气原理图:

器件K2和K3为24V继电器,K4和K5为交流接触器。K2和K3由PLC输出点控制吸合动作。K4和K5的常闭辅助触点分别串联接入对方的电路。
电机正转时K2吸合,K5辅助触点常闭导通,K4线圈得电,K4触点吸合,电机开始正转。同时K4常闭辅助触点断开,反转回路无法导通。实现保护的目的。反转同理。
2、 软件防护
软件防护是在程序上实现正反转互锁,以下是梯形图编程:

确保在某一方向运行时,另一方向回路不会导通。这里使用定时器是为换向延时,电机如果自由停车需要一定时间才能静止,然后再反向。具以根据实际应用情况更改不同的时间。
如果是带有刹车制动的电机,那么每次启动前需要释放刹车,确保刹车释放后才能启动电机。注意,这里也可以使用延时,不过是启动延时。
三相电动机正反转接触器互锁实物接线图

分享一款电动机的接线图,三相电动机正反转接触器互锁实物接线图,主要电气元件包括电动机、空气开关、正转开关、反转开关、交流接触器、热继电器等。
电动机正反转点动接触器互锁电路图说明

分享一个电动机正反转点动接触器互锁的电路图,电动机可逆运行接触器互锁电路,三相电动机的可逆点动电路,一般用于电动卷帘门、电葫芦的控制。