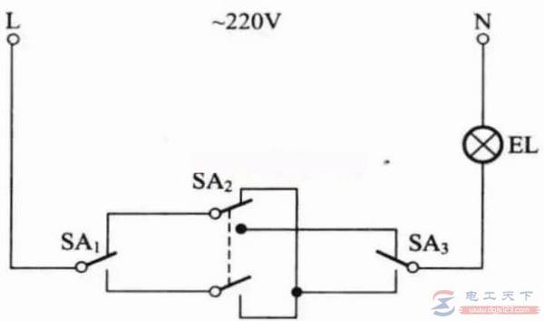
有关三开一控灯的接线方法,有三只开关来分别控制一盏灯的亮与灭,这里分享一例三地控制一盏灯的电路图,供大家学习参考。
三开控制一盏灯接线图
用多只开关来控制一盏灯,比如楼梯上有一盏灯,要求上、下楼梯时都能开灯或关灯。

上图中开关SA1、SA3用单刀双掷开关,SA2使用了双刀双掷开关。

电灯三开三控的线路图

分享电灯三开三控的线路图,三控开关控制三个灯的路线图,三控开关分别控制三个灯,以及双联开关电路图,开控开关的接线方式,双控开关三控一灯的电路接线图。
三个开关控制一个灯的接线图

三个开关控制一个灯的线路图,联络线剪断是4个头,三控开关就正好是4个接点,三个开关控制一个灯线路,在双控的基础上把两根联络线剪断,加一个三控开关就行了。