电气接线图转化为电气原理图的方法
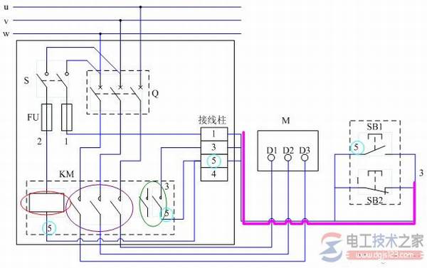
机床电气控制线路的安装接线图。
特点:
第一,各元器件的功能部分按照电器布置图画在一起。如上图中的接触器KM,作为实际产品,它包括一个线圈(上幅图中的红色圈中)、三相主触点(上幅图中的紫色圈中)、两个辅助常开触点(上幅图中的深绿色圈中)。
第二,多条接线线路可能汇合,但在各线端给出标识,如上图中接线柱到按钮组件的线路(上幅图中的粉色线路),“5”的线端(上幅图中的蓝色圈中)都应该是连通的。

基于以上特点,按照下列步骤将该图转化为电气原理图。电气接线图如何转化为电气原理图
将主电路所用部分单独画出并连接;

将控制电路相关部分单独画出,各线端标好数字;

按接线图连线,对于有相同数字标号的线端,应连接在一起。

整理控制线路图,按常规电气原理图方式排列各元件。

电气接线线路图:

结合主电路和控制线路的电气原理图,该接线图实现了三相异步电动机直接启动和停止,是电机直接启停控制线路。