●
首页
>
玩转家电
>
电器维修
>
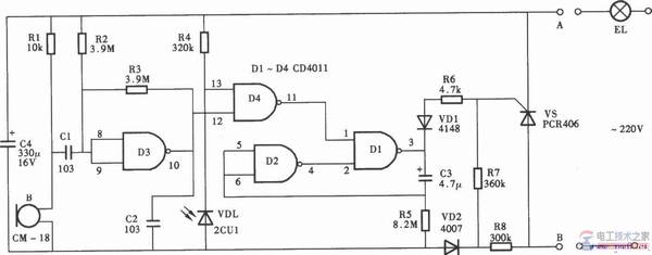
一例声光双控开关的灯光电路图
如图:所有元件型号图上均有标明。
声光双控开关灯光电路图
如下:
上一篇:
双控开关接线图及原理图分析
下一篇:
如何画三相有功电度表经电流互感器的接线图?
热点内容
·
什么是开关稳压器,开关稳压器有哪些功能
·
交流固定(移动)式柴油发电机组十四条操作规
·
电动车充电10个小时仍红灯什么原因
·
正弦功率计算公式(基本元件的能量和功率关
·
小2匹挂(43W)空调连接管及电源线规格数据
·
四个日光灯的原理接线图
·
250小电焊机怎么用?
·
漏电保护器调整电流值的方法
·
变配电及维修操作规程10则
·
滑差电机调速器电路原理图及电路分类功能