有关led节能灯的电路图,介绍了五款led节能灯的电路原理图,主要包括光控LED节能灯电路、大功率LED平板灯电路图、一款简单实用的LED灯照明电路,以及最简单的LED照明电路等,一起来看下。
led节能灯的电路图
1、光控LED节能灯电路
下图为一款光控LED节能灯的电路:

220V交流电经过C3降压、R3泄流,VD1、VD整流,C2、C1滤波得到平滑的直流电,稳压二极管VS1把电压稳定在6V,给集成电路MCI455供电,并经Rl、R2给光敏电阻RG供电。
白天,光敏电阻RG在光照下阻值很小,MCI455的2脚和6脚输入高电平,3脚输出低电平,继电器K不吸合,K1触点不接通,220V电压没有加到电容C5上,所以LED灯不亮。
晚上,光敏电阻RG无光照电阻值很大,MCI455的2脚和6脚为低电平,3脚输出高电平,继电器K吸合,K1触点接通,C5得到电压后降压,R4泄流确保安全,VD4、VD5整流,C6滤波,VS2将直流电压稳定在15V左右,将8只白光LED点亮。电容C4起滤波作用,防止干扰家用电器,R5是C6的放电电阻。
电路的光敏电阻可使LED灯在白天自动熄灭,夜间自动点亮,并且电路具有功耗小、节能的特点。
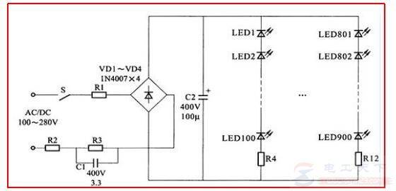
2、大功率LED平板灯电路图
如下图为一款大功率LED平板灯的电路图:

该灯使用220V电源供电。220V交流电经过C1降压电容降压后,经过全桥整流,再通过C2滤波后,经限流电阻R4给串联的100个LED灯提供恒流电源。R5~R12的作用与R4相同。
该电路由9组LED并联组成,每一组100个LED串联,其中R1时保护电阻,R2是限流电阻,R3是电容的泄放电阻,防止电压升高、温度升高、LED的电流增大。C2时滤波电容,同时用来防止开灯时的冲击电流对LED的损伤。C1采用耐压在400V以上的涤纶电容或CBB电容,C2采用耐压400V以上的电解电容。
3、简单实用的LED灯照明电路
如下图为一款使用电动车48V电瓶供电的LED照明灯电路,由三个LED串联一个3.9k的限流电阻为一组,三组并联组成。可当做电动车刹车尾灯,电路简单实用。

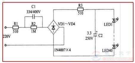
4、最简单的LED照明电路
LED灯杯电路:如下图所示,该灯使用220V电源供电,220V交流电经过C1降压电容降压后,再经过全桥整流,通过C2滤波,最后经过限流电阻R3给串联的40个LED提供恒流电源。LED的额定电流为20mA,R1是保护电阻,R2是电容C1的释放电阻,R3是限流电阻,以防止电压升高、温度升高、LED的电流增大,C2用来保护LED免受开灯时的冲击电流的损害。
该电路使小功率灯杯最实用的电路,可以方便地装在空间较小的灯杯里,目前已广泛的应用,具有电源功率小、体积小、经济实用的优点。

5、双管节能灯的电路图
如下图为一款双灯管节能灯电路,220V交流电经过保险管电阻TR后加到整流桥VD1~VD4整流,由电容C1、C2和电感L1组成π型滤波电路,即可防止节能灯工作时产生高次谐波对家用视听电器设备的干扰,又可以进一步减小输出直流电压的交流纹波,以利于后级电路工作。

经滤波后输出约300V直流电压加到功率管VT1、VT2上,由VT1、VT2、C4、C5和脉冲变压器T1(绕组Wl、W2、W3)组成高频振荡电路,由自感变压器T2、C7(T2’、C7′)和灯管组成串联谐振及照明电路。Rl、C3组成起动电路,刚接通电源时,300V直流电压经R1对C3充电,当C3充电电压过到一定值时经R3加到VT2的基极,VT2触发导通,然后通过脉冲变压器T1各绕组感应耦合,触发VT1和VT2轮流导通与截止,电路进入振荡状态,产生近似矩形波的输出脉冲。
该脉冲电压经T2、C7(T2’、C7′)产生振荡,在双灯管两端获得足够的起辉电压而点燃发光。当灯管点亮后,由于T2和TT的自感作用,使灯管电流恒定,这样既减小灯管的频闪,又起到限流保护作用,确保节能灯安全工作。电阻R5、R6起限制VT1、VT2基极过电流的作用。电阻R2、R4和二极管VD5、VD6串联组成VT1、VT2的B–E结反压保护电路。电容C6起隔直作用,防止直流高压进入灯管而烧坏灯丝。
该节能灯电路设置了多重保护,具有提高节能灯的可靠性,以及延长灯管使用寿命的特点。