有关爱玛电动车控制器的接线图,包括了商丘爱玛WK4845G,天津爱玛WK4835G,爱玛WK6050G,天津爱玛WK4815G等电动车的接线图,有需要的朋友参考下。
爱玛电动车控制器的接线图

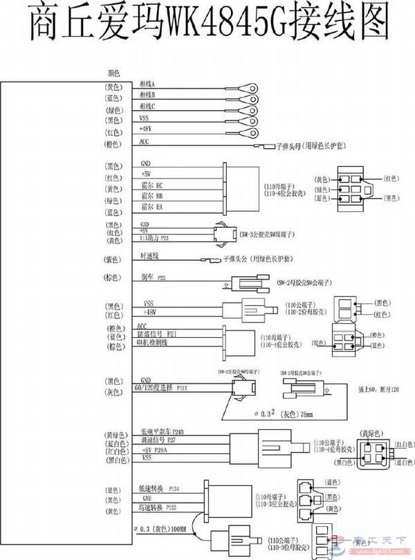
图1,商丘爱玛WK4845G接线图

图2,天津爱玛WK4835G接线图

图3,爱玛WK6050G接线图

图4,爱玛WK7280G接线图

图5,天津爱玛WK4815G接线图

图6,爱玛(正弦)WK4850G接线图

图7,爱玛WK4845G接线图
以上提供了七款爱玛电动车控制器的接线图,希望对大家有所帮助。
有关爱玛电动车控制器的接线图,包括了商丘爱玛WK4845G,天津爱玛WK4835G,爱玛WK6050G,天津爱玛WK4815G等电动车的接线图,有需要的朋友参考下。

图1,商丘爱玛WK4845G接线图

图2,天津爱玛WK4835G接线图

图3,爱玛WK6050G接线图

图4,爱玛WK7280G接线图

图5,天津爱玛WK4815G接线图

图6,爱玛(正弦)WK4850G接线图

图7,爱玛WK4845G接线图
以上提供了七款爱玛电动车控制器的接线图,希望对大家有所帮助。