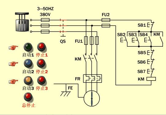
对电路进行多点控制的工作原理,如下图所示:

多个启动与停止按钮,实现在多地的不同控制,以下是结构原理图,非常简单而实用的一张原理图,供大家参考。
推荐你看的:
一个超实用的多点控制线路接线图

多点控制线路接线图在a点开机之后,在b点工作,当需要开机和停机时,就不是那么方便了。如果在a点开机之后,在b点也可以停机,在b点开机在a点也可以停机,这样操作起来更方便。
电动机多点控制电路实现电动机起停

电动机多点控制电路实现电动机起停【图】对于大型生产机械,为了操作的方便,常常要求在两个或两个以上的地点都能进行操作。实现以上要求的线路如下图:即在各操作地点各安...