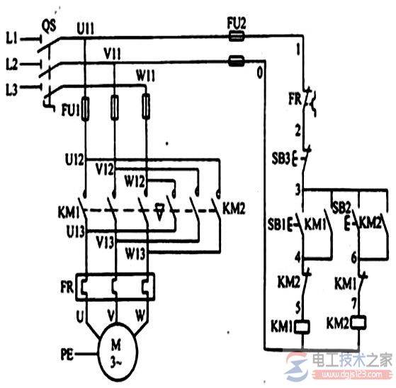
有关三相电动机正反转控制的线路图,包括接触器联锁正反转控制线路,按钮联锁正反转控制电路图,三相电动机正反转控制电路(按钮、接触器复合联锁),以及相关问题与解决方法。
三相电动机正反转控制电路图
如下图:

正反转控制运用生产机械要求运动部件能向正反两个方向运动的场合。如机床工作台电机的前进与后退控制;万能铣床主轴的正反转控制;电梯、起重机的上升与下降控制等场所。
电机要实现正反转控制:将其电源的相序中任意两相对调即可(简称换相),通常是V相不变,将U相与W相对调。
由于将两相相序对调,故须确保2个KM线圈不能同时得电,否则会发生严重的相间短路故障,因此必须采取联锁。
为安全起见,常采用按钮联锁和接触器联锁的双重联锁正反转控制线路(如原理图所示)。
1、接触器联锁正反转控制线路

2、按钮联锁正反转控制电路图

3、三相电动机正反转控制电路(按钮、接触器复合联锁)
接触器联锁正反转控制线路虽工作安全可靠但操作不方便;而按钮联锁正反转控制线路虽操作方便但容易产生电源两相短路故障。
双重联锁正反转控制线路则兼有两种联锁控制线路的优点,操作方便,工作安全可靠。


相关问题与解决方法:
1、控制电路无自锁:这是因为交流接触器KM1(或KM2)的常开没有与开关SB2(SB3)并联,并与线圈串联在一起,当出现此问题时,检测是KM1无自锁还是KM2无自锁,若是KM1则应检测KM1的常开,否则查看KM2。
2、控制电路无互锁:这是因为两个交流接触器KM1、KM2的常闭没有互相控制彼此的线圈电路,即KM1(KM2)的常闭没有串联于KM2(KM1)的线圈电路中。
3、控制电路不带电:可能为控制电路没有取相(回相)造成的,此时可以检查一下控制电路,当按下开关SB2或SB3时,是否通路,若通路,则检测熔断器是否正常。
4、主电路不带电:此可能时开关没有闭合,或熔断器已烧坏,也有可能是主触点接触不良,可用万用表测量,然后确定问题所在。
5、电路少相:表现为电机转速慢,并产生较大噪音,此时可以此测量三相电路,确定少相的线路,并加以调整。
6、电路短路:此问题最为严重,必须对整个电路进行测量检查。
如下图:





