有关电气控制接线图的知识,电气控制接线图是表示成套装置、设备或装置连接关系,用以进行接线和检查的一种简图或表格。
电气控制接线图
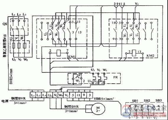
如图:

图中显示出电气设备中各个元件的实际空间位置与接线情况,便于安装电气设备和电气元件进行配线或检修电气故障服务的。
接线图是根据电器位置布置最合理、联接导线最方便且最经济的原则来按排的。
维修时,通常由原理图分析电路原理、判断故障,由接线图确定故障部位。
说明:电气控制接线图是表示成套装置、设备或装置连接关系,用以进行接线和检查的一种简图或表格。
有关电气控制接线图的知识,电气控制接线图是表示成套装置、设备或装置连接关系,用以进行接线和检查的一种简图或表格。
如图:

图中显示出电气设备中各个元件的实际空间位置与接线情况,便于安装电气设备和电气元件进行配线或检修电气故障服务的。
接线图是根据电器位置布置最合理、联接导线最方便且最经济的原则来按排的。
维修时,通常由原理图分析电路原理、判断故障,由接线图确定故障部位。
说明:电气控制接线图是表示成套装置、设备或装置连接关系,用以进行接线和检查的一种简图或表格。