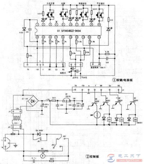
九阳豆浆机JYD-P11SP型电路图
如下图:

相关阅读:
九阳电磁炉电路图及电路原理

关于九阳电磁炉的电路图,九阳电磁炉整个电路的组成部分有哪些,九阳JYC-21CS21电磁炉电源电路的工作原理是怎么样的,电磁炉是应用电磁感应原理对食品进行加热的。
九阳电磁炉故障代码E7什么原因,E7故障怎么维修

有关九阳电磁炉的一例故障,九阳电磁炉屏幕上显示故障码E7,E7代表的含义是什么,九阳电磁炉出现故障码E7应该怎么来维修,一起来学习下。
九阳豆浆机JYD-P11SP型电路图
如下图:

相关阅读:

关于九阳电磁炉的电路图,九阳电磁炉整个电路的组成部分有哪些,九阳JYC-21CS21电磁炉电源电路的工作原理是怎么样的,电磁炉是应用电磁感应原理对食品进行加热的。

有关九阳电磁炉的一例故障,九阳电磁炉屏幕上显示故障码E7,E7代表的含义是什么,九阳电磁炉出现故障码E7应该怎么来维修,一起来学习下。