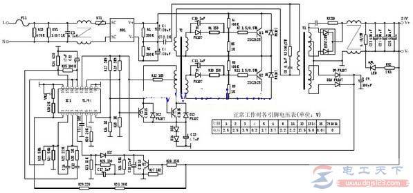
明纬24v开关电源电路图
24V开关电源是一种高频逆变开关电源,它通过电路控制开关管进行高速的道通与截止。
在工作时将直流电转化为高频率的交流电提供给变压器进行变压,产生所需一组或多组电压。

图1:24v开关电源原理图

图2:24V过流保护图

图3:24V过压保护图
24V开关电源的工作原理:
1、交流电源输入经整流滤波成直流;
2、通过高频PWM(脉冲宽度调制)信号控制开关管,将那个直流加到开关变压器初级上;
3、开关变压器次级感应出高频电压,经整流滤波供给负载;
4、输出部分通过一定的电路反馈给控制电路,控制PWM占空比,以达到稳定输出的目的。