●
首页
>
玩转家电
>
电器维修
>
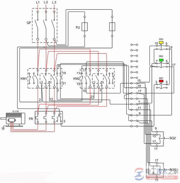
电动机自动往返运行控制接线图怎么设计?
有关电动机自动往返运行控制的接线图,电动机如何实现自动往返运行,需要哪些电气设备的配合,有了本节提供的这张电动机自动往返运行控制接线图,你就明白了。
电动机自动往返运行控制接线图
如下:
上一篇:
如何画家用照明双控开关接线图?
下一篇:
三相380伏电源三相同步电动机的接线图
热点内容
·
安装太阳能路灯的优点_太阳能路灯的主要作
·
漏电保护器额定漏电动作电流的取值范围
·
电气控制屏的6条安全操作规程
·
电子式漏电保护器与电磁式漏电保护器有哪些
·
离心式风机与轴流式风机有什么区别
·
一灯六控开关接线图怎么设计?
·
什么是蓝光led?蓝光led知识问答
·
无功补偿电容器容量计算公式与使用说明
·
漏电保护器主要动作性能参数有哪些?
·
五层楼单元照明灯开关的接线方法