有关双色发光二极管的知识,介绍了双色发光二极管流水灯闪光器的电路图,以及这种发光二极管的工作原理,并附有双色发光二极管的充电电路,一个双色发光二极管应用于充电电路的实例,供大家学习参考。
双色发光二极管流水灯闪光器
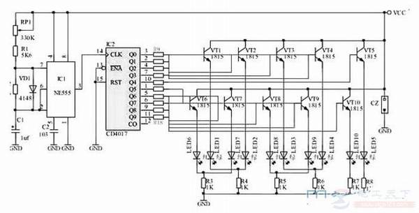
该闪光器采用双色发光二极管作为闪光器件,形成红、绿光依次交替流水闪光效果,可用作车饰、节日装饰等。
由NE555时钟脉冲发生电路、CD4017十进制计数器/分配器电路、三极管驱动电路以及双色发光二极管组成。
由555时基电路和外围元件构成一个时钟振荡器,由RP1、R1、R2和VD1、C1构成的充放电回路,导致IC1(555)的③脚不断输出方波脉冲供给IC2CD4017。IC2对输入的方波脉冲进行计数/分配,使其输出端Y0~Y9依次变为高电平。当Y0~Y4依次变为高电平时,三极管VT1~VT5依次导通,使得双色发光二极管中的红色(R)管芯点亮,形成红色流水灯序。
当IC2的Y5~Y9依次变为高电平时,三极管VT6一VT10依次导通,双色发光二极管中的绿色(G)管芯依次点亮,形成绿色光序。在时钟脉冲的不断作用下,两色光带不断交替流动,颇为美观。
其中,IC1采用NE555时基集成电路,IC2采用CD4017。VTl~VT10采用C1815三极管,β≥100即可。发光二极管最好是高亮发光二极管,当然普通的也可以。其它元件无特殊要求,可按图示数值选用。调节RP1可调节NE555时钟振荡频率,也就是控制发光二极管的流动速度。


图:双色发光二极管的充电电路


上图为一个双色发光二极管应用于充电电路的实例。
可知,当处于充电状态和充满电状态时分别会点亮双色二极管中的一个。
发光二极管的结构图

有关发光二极管的结构图,包括黄金导线接合部分,LED芯片,反射帽,正极引角与负极引角,非常清晰直观的二极管结构图,一起来了解下。
一例发光二极管(LED)的显示驱动电路

有关led发光二极管的知识,介绍了一例发光二极管(LED)的显示驱动电路,通过本显示驱动电路,可以了解下led发光二极管的工作原理,有需要的朋友参考下。
一例发光二极管电压测量的电路图

有关发光二极管的知识,介绍了发光二极管的电路构成,以及对这一个简单发光二极管进行电压测量的电路图,有需要的朋友参考下。
发光二极管的发光原理,发光二极管的种类和符号

在很多电器中都有发光二极管,发光二极管可以直接能把电能转变为光能,是一种常用的半导体器件,这里介绍了发光二极管的工作原理,以及发光二极管的不同种类,以及在电路中符号等内容,有需要朋友参考下。