有关电压互感器的接线图,电压互感器的接线方式,电容式电压互感器的接线形式,三相五柱式电压互感器接线图,一个单相电压互感器的接线图,单相电压互感器接线图,电压互感器vv接线图等。
电压互感器接线图与接线方式
面对众多的电压互感器类型,初学者最困惑的就是电压互感器应该如何接线,这里分享几个电压互感器的接线图,通过具体的实例,了解并掌握电压互感器的接线方法。
一、电压互感器的接线方式
1、用一台单相电压互感器来测量某一相对地电压或相间电压的接线方式。
2、用两台单相互感器接成不完全星形,也称V—V接线,用来测量各相间电压,但不能测相对地电压,广泛应用在20KV以下中性点不接地或经消弧线圈接地的电网中。

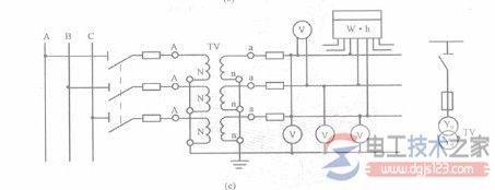
3、用三台单相三绕组电压互感器构成YN,yn,d0或YN,y,d0的接线形式,广泛应用于3~220KV系统中,其二次绕组用于测量相间电压和相对地电压,辅助二次绕组接成开口三角形,供接入交流电网绝缘监视仪表和继电器用。用一台三相五柱式电压互感器代替上述三个单相三绕组电压互感器构成的接线,除铁芯外,其形式与图3基本相同,一般只用于3~15KV系统。

4、电容式电压互感器接线形式。
在中性点不接地或经消弧线圈接地的系统中,为了测量相对地电压,PT一次绕组必须接成星形接地的方式。
在3~60KV电网中,通常采用三只单相三绕组电压互感器或者一只三相五柱式电压互感器的接线形式。
注意,不能用三相三柱式电压互感器做这种测量。当系统发生单相接地短路时,在互感器的三相中将有零序电流通过,产生大小相等、相位相同的零序磁通。在三相三柱式互感器中,零序磁通只能通过磁阻很大的气隙和铁外壳形成闭合磁路,零序电流很大,使互感器绕组过热甚至损坏设备。而在三相五柱式电压互感器中,零序磁通可通过两侧的铁芯构成回路,磁阻较小,所以零序电流值不大,对互感器不造成损害。
二、电压互感器接线注意事项
1、电压互感器在投入运行前要按照规程规定的项目进行试验检查。例如,测极性、连接组别、摇绝缘、核相序等。
2、电压互感器的接线应保证其正确性,一次绕组和被测电路并联,二次绕组应和所接的测量仪表、继电压互感器电保护装置或自动装置的电压线圈并联,同时要注意极性的正确性。
3、接在电压互感器二次侧负荷的容量应合适,接在电压互感器二次侧的负荷不应超过其额定容量,否则,会使互感器的误差增大,难以达到测量的正确性。
4、电压互感器二次侧不允许短路。由于电压互感器内阻抗很小,若二次回路短路时,会出现很大的电流,将损坏二次设备甚至危及人身安全。电压互感器可以在二次侧装设熔断器以保护其自身不因二次侧短路而损坏。在可能的情况下,一次侧也应装设熔断器以保护高压电网不因互感器高压绕组或引线故障危及一次系统的安全。
5、为确保人在接触测量仪表和继电器时的安全,电压互感器二次绕组必须有一点接地。因为接地后,当一次和二次绕组间的绝缘损坏时,可以防止仪表和继电器出现高电压危及人身安全

图:电压互感器开口三角接线图
三、电压互感器的作用、接线图、工作原理
电压互感器工作原理:电压互感器简称PT,其工作原理和变压器很相像,都是用来变换线路上的电压。(电压互感器 www.dgjs123.com)在测量交变电流的大电压时,为能够安全测量在火线和地线之间并联一个变压器(接在变压器的输入端),这个变压器的输出端接入电压表,由于输入线圈的匝数大于输出线圈的匝数,因此输出电压小于输入电压,电压互感器就是降压变压器。
电压互感器的作用:
1、把高电压按比例关系变换成100V或更低等级的标准二次电压,供保护、计量、仪表装置使用。
2、使用电压互感器可以将高电压与电气工作人员隔离。
3、当二次负载阻抗减小时,二次电流增大,使得一次电流自动增大一个分量来满足一二次侧之间的电磁平衡关系。
电压互感器接线图:
1、一个单相电压互感器的接线

单相电压互感器的接线图
这种接线方式在三相线路上,只能测量某两相之间的线电压,用于连接电压表、频率表及电压继电器等。
2.两个单相
这种接线方式又称不完全星形接线,可以用来测量三个线电压,供仪表、继电器接于三相三线制电路的各个线电压。‘

电压互感器的V/V形接线
这种接线方式又称不完全星形接线,可以用来测量三个线电压,供仪表、继电器接于三相三线制电路的各个线电压。
3.三个单相电压互感器Y./Y.形接线

电压互感器Y./Y.形接线
这种接线方式能满足仪表和微机保护装置选用相电压和线电压的要求。在一次绕组中点接地情况下,也可装用绝缘监察电压表。
4.三个单相三绕组电压互感器或一个三相五芯柱三绕组电压互感器Y./Y./

△(开口三角形)接线。
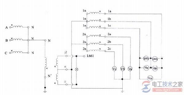
这种接线方式在10kV中性点不接地系统中应用广泛,它既能测量线电压、相电压并能组成绝缘监察装置和供单相接地保护用。接成Y。形的二次绕组称为基本二次绕组,用来接仪表、继电器及绝缘监察电压表;接成(开口三角形)的二次绕组,称为辅助二次绕组,用来连接监察绝缘用的电压继电器。在系统正常运行时,开口三角形两端的电压接近于零,当系统发生一相接地时,开口三角形两端出现零序电压,使电压继电器吸合,发出接地预告信号。
四、电压互感器接线图和接线方式
4种电压互感器接线图和接线方式。注意,由于线路中互感器的个数不同,接线方式也是不同的,接线图仅作为参考,以满足最多数的需求:
1、三相五柱式电压互感器接线图
在三柱铁芯的两侧各增加一个铁芯柱,作为零序磁通的闭合磁路,于是就形成了三相五柱式电压互感器。正因为这种电压互感器使零序磁通有了闭合磁路,就可以增加一组二次绕组,组成开口三角以获得零序电压。

三相五柱式电压互感器接线图
2、10kv电压互感器接线图
这里的10kv是指电路电压,这不是一个特定的接线方式,因为10kv的电压互感器品种较多,所以接线图的需求也很大,下面的接线方式也是在10kv电路中较为常见的。

图:10kv电压互感器接线图
3、单相电压互感器接线图
同上面一样,这里的单相是指单个电压互感器的参数,一般电路中比较多的是使用三台单相三绕组电压互感器构成YN,yn,d0或YN,y,d0的接线形式,广泛应用于3~220KV系统中,其二次绕组用于测量相间电压和相对地电压,辅助二次绕组接成开口三角形,供接入交流电网绝缘监视仪表和继电器用。用一台三相五柱式电压互感器代替上述三个单相三绕组电压互感器构成的接线,除铁芯外,其形式与图3基本相同,一般只用于3~15KV系统。

图:单相电压互感器接线图
4、电压互感器vv接线图
电压互感器vv接线,由两只单相电压互感器组成的V-V形接线时,其一次侧是不允许接地的,因为这相当于系统的一相直接接地。
但是,对这种单相电压互感器,哪一个引出端当A,哪一个引出端当X都无所谓,只是需要将电压互感器的二次引出端和一次相对应就行,而应在二次中性点接地。

图:电压互感器vv接线图