在三相电表的多种接线方式中,有一种就是经互感器的接线方式,三相四线电表常用这种接线方式,究竟三相电表怎么经互感器接线,具体的接线方式是怎么样的,一起来了解下。
三相电表经互感器的接线方式
当电能表参数(电压与电流量限)与所需测量电路的参数(电压与电流数值)不相适应时,电表需经互感器接入。
以下是经互感器的电表的接线图:

图1,三相三线电表经互感器的接线图
三相三线电能表经互感器接线的几要求:
1、电表的额定电压应与电源电压一致,额定电流应是5A的。
2、按正相序接线,三相四线有功电能表的零线必须入表,零火不得反接。
3、电流互感器一次额定电流应满足负荷电流的需要,电流互感器的变比相同,K2端应接地或接零,为便于接线选LQG型的,精度应不低于0.5级。电流互感器的极性要用对,不能反接。
4、二次线应使用绝缘导线,中间不得有接头。截面:电压回路不小于1.5m㎡;电流回路不小于2.5m㎡;一次线按一次负荷电流选。
5、二次线应排列整齐,两端穿带有回路标记和编号的(标志头)。
6、当计量电流超过250A时,其二次回路应经专用端子接线,各相导线在专用端子上排序;自上至下,或自左至右为u、v、w、n。
7、三相三线电能表,仅可对三相三线对称或不对称负载作有功电量的计量。
8、开关熔断器接负荷侧。
9、电能表的金属外壳应接地。
电流互感器与三相四线电表接线图

三相四线电度表的接线图,不带电流互感器的三相四线电表接线图、带电流互感器的三相四线电表接线图二种情况,学习三相四线电度表的接线方法,智能远程三相四线电表接线方法等。
三相四线电度表与互感器的接线图

有关三相四线电度表与互感器的接线方法,三只电流互感器怎样连接三相四线有功电表,这里分享一个完整的接线图,供大家参考。
三相电表与互感器的接线图

分享一个三相电表与互感器的接线图,了解下三相电度表的接线方式。
三相电表接线图

有关带电流互感器的三相电表的接线图,接线方式为单相、三相星形和不完全星形三种,三相四线电表接线图与接线方法,包括三相四线式、三相三线式、三相四线电表加互感器实物接线图等。
单相电能表经互感器的接线图

有关单相电能表附电流互感器的正确接线图,单相电能表接负荷,与电流互感器连接的接线方法,一起来了解下。
电能表正确接线图

教大家画出三相四线有功、无功电能表和电压、电流互感器的正确接线图,若电压互感器为Y,Y型接线时怎么保证正确接线,一起来了解下。
三相四线电能表的接线图

三相四线电能表与电流互感器的接线图,电能表第一相电流线圈进出线接反的错误接线图,并计算出其误差的更正系数,通过实例来学习其接线方法。
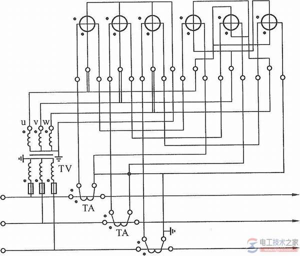
三相四线电表经互感器的接线示意图

三相四线电表接电压互感器与电流互感器的接线图,需要的朋友参考下。
电流表与电流互感器的连接

电流表与电流互感器的连接问题,电流表是否可以与电流互感器直接相连,单相的另一根接直接接负载,三相的另两根接负载,包括穿心式接线与非穿心式接线。
以上就是三相电表经互感器的主要接线方式,希望对大家有所帮助。