多个电表怎么接线,一例出租房多个电表的接线图


出租房多个电表的接线图

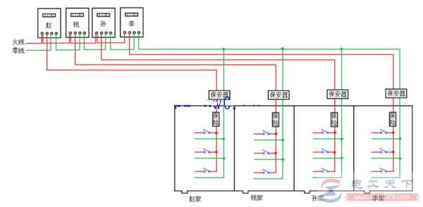
总表就是外线接近家中的表,如果出租的话,在出租屋里进线接一个表就可以。出租屋的进线是从总表过的 。

如图:

多个电表怎么接线,一例出租房多个电表的接线图

12是火线 34是零线。总电表1、3进。将2、4输出端进入分表的1、3即可。

如图:

多个电表怎么接线,一例出租房多个电表的接线图