有关单相电能表的接线图,单相电表有二种接线方式,一是直接接入式,二是经电流互感器接入式,这里分享下单相电能表的二种接线图,供大家学习参考。
单相电能表的接线图
单相电能表是指单相两线有功电能表,主要用于220v单相交流用户的电能计量,接入电路方式主要有直接接入式和经电流互感器接入式两种。
1、直接接入式
直接接入式接线是将被测电路导线和电能表端子盒端子直接相连。
根据单相电能表端子排列方式不同,将直接接入式分为一进一出(单进单出)和二进二出(双进双出)接线两种排列方式。
国产电能表一般采用一进一出(单进单出)的接线方式,采用“一进一出”接线时,式1、2孔和3、4孔分别处于同电位,对防止过电压引起电能表烧坏有一定的作用。
究竟采用哪一种接线方式,在装表时可以仔细看下厂家说明书,或电能表端子盒内的接线图,就会明白了。

图1:一进一出接线

图2:二进二出接线
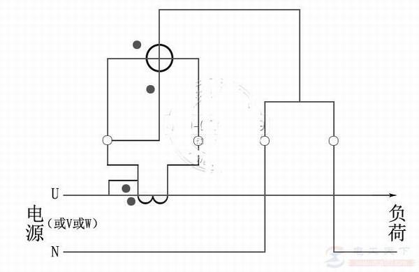
2、经互感器进入式
当电能表参数(电压和电流量限)与所需测量电路的参数(电压和电流数值)不相适应时,便需要经互感器接入(有时只需经电流互感器接入)。
单相电表内电压、电流端子分为共用和分开两种接线方式。

图3:单相电能表经电流互感器接线(电压、电流线共用)

图4:单相电能表经电流互感器接线(电压、电流线分开)
以上就是单相电能表的二种接线图,希望可以帮助大家掌握单相电表的接线方法。