您只构建了一个专业设计的 实验板 。您完成了布局以前需要做的所有仿真,并查看了厂商对于特定封装下获得较好散热设计的建议方法。您甚至仔细检查了纸面上的初步热分析方程式,给予了它们应有的注意,旨在确保不超出 结点温度,并具有较为宽松的容限。但稍后,您开启 ,IC 摸起来还是非常的热。对此,您感到很不满意(更不用说您的散热专家以及可靠性设计人员的焦虑了)。现在,您该怎么办?
在谈到整体设计的可靠性时,通过让 IC 结点温度远离绝对最大值水平,在环境温度不断升高的条件下保持您的电路设计的完整性是一个重要的设计考虑因素。当您逐步接近具体电路设计中央 芯片 的最大功耗水平(Pd 最大值)时更是如此。
您进行散热完整性分析的第一步是深入理解 IC 封装热指标的基础知识。
到目前为止,封装热性能最常见的度量标准是 Theta JA,即结点到环境测得(建模)的热阻(参见图 1)。Theta JA 值也是最需要解释的内容(参见图 2)。能够极大影响 Theta JA 测量和计算的一些因素包括:
贴装板:是/否?
线迹:尺寸、成分、厚度和几何结构
方向:水平还是垂直?
环境:体积
靠近程度:有其他表面靠近被测器件吗?
热阻 (Theta JA) 数据现在对使用新 JEDEC 标准的有引线表面贴装封装有效。实际数据产生于数个封装上,同时热模型在其余封装上运行。按照封装类型以及不同气流水平显示的 Theta JA 值来对数据分组。

图 1 电气网络 Theta-JA 分析

图 2 Theta-JA 解释
结点到环境数据是结点到外壳 (Theta JC) 的热阻数据(请参见图 3)。实际 Theta JC 数据会根据使用 JEDEC 印制电路板 () 测试的封装生成。

图 3 Theta-JC 解释
天啊,谁有这么多时间和耐性做完所有这种分析和测试——当然 JEDEC 除外!在本文中,您将了解到在测试您设计的散热完整性时如何安全地绕过这些步骤。
通过访问散热数据,您可以将散热数据用于您正使用的具体封装。这里,您会发现额定参量曲线、不同流动空气每分钟直线英尺 (L) 的 Tja,以及对您的设计很重要的其他建模数据。
所有这些信息都会帮助您不超出器件的最大结点温度。尤为重要的是坚持厂商和 JEDEC 建议的封装布局原则,例如:那些使用 封装的器件。4下列各种设计建议可帮助您实施最佳的散热设计。
既然您阅读了全部建模热概述,并且验证了您的电路板布局和散热设计,那么就让我们在不使用散热建模软件或者 测量实际温度的情况下检查您散热设计的实际好坏程度吧。产品说明书中的 Theta JA 额定值一般基于诸如 JEDEC #JESD51 的行业标准,其使用的是一种标准化的布局和测试电路板。因此,您的散热设计可能会不同,会有不同于标准的 Theta JA,这是因为您具体的 PC 电路板设计需求。
如果您想知道您的设计离最佳散热设计还有多远,那么请对您的 PC 电路板设计执行下列系统内测试。(尝试将设置到其最大可能值,以测试极端条件。)
要想获得最佳结果,请使用一台烤箱(非热感应系统),然后靠近电路板只测量 Ta,因为烤箱有一些热点。如果可能,请在电路板底部使用一个热绝缘垫,以防止室温空气破坏测量。
我们此处的测试中,我们只关心我们测试电路板上具体芯片的 Tj 情况。我们将其用作方程式的替代引用,该方程式计算得到具体测试 PC 电路板的热阻 Theta JA。它应该非常明显地表明我们的散热设计质量。如果芯片具有这种 散热片 ,则对几块 PC 电路板进行测试以获得一些区域(例如:PowerPadTM)完整性的较好采样,目的是正确使用这种独特的封装散热片技术。要找到 TEF 允许的器件最大 Tj,请将 PC 电路板置入恒温槽中,同时器件无且仅运行在静态状态。缓慢升高恒温槽温度,直到 TEF 被触发。出现这种情况时恒温槽的温度点便为Tj,因为 Ta = Tj。这种情况下,功耗 (Pd) 必须处在非常低的静态水平,并且可被视作零。将该温度记录为 Tj。它将用于我们的方程式,计算 Theta JA。5
其次,计算出您电路的最大 Pd。将恒温槽温度升高到产品说明书规定的 IC 最大环境温度以上约 10 或 15 度(将该温度记录为 Ta)。这样做会使 TEF 更快地通过自加热。现在,通过缓慢增加 Pd 直至 TEF 断开,我们将全部负载施加到 IC。在 TLC5940 中,我们改变外部 R( IR EF),其设置器件的 Io 吸收。如果超高温电路有滞后,则电路会缓慢地温度循环,从而要求我们缓慢地降低 Pd 直至循环停止。这时,恒温槽温度应被记录为 Pd 最大值。
最后,要获得您电路板的 Theta JA,请将测得的 Tj 值、Ta 值和 Pd 最大值插入到下列方程式中:
Theta JA = (Tj-Ta)/Pd max
如果您拥有一个较好的散热设计,则该值应接近 IC 产品说明书中的 Theta JA。
幸运的是,这种测试不依赖于外壳 (Tc) 或结点 (Tj) 的直接温度测量,因为很难准确地在现场测量到它们。
小贴士:
· 一定要将 PC 电路板放入恒温槽中几分钟
· 将 Vsupply X Iq 加上理想 Pd,考虑 Iq 的 IC 功耗。这可能是也可能不是一个忽略因素。
在本文一开始提及的情况中,如果您的设计的 Pd 接近 Pd 最大值,则您可以利用如下方法来改善散热设计:使用更好的散热定额封装。在 TLC5940 案例中,带散热垫 (PowerPad) 的 HTSSOP 可能更佳(请参见表 1)。
表 1 散热等级

· 增加 PC 电路板铜厚度,其通过散热垫或者其他散热片器件来对 IC 散热。
· 如果可能,利用气流来降低 IC 承受的最高环境温度。
·降低器件 Pd。在我们的测试中,可以通过如下几种方法完成这项工作(请参见图 4):
降低 V( )
将一个串联添加到 LED 电流通路。这样做不会改变设计的总功耗,但它会将 IC 封装的一些 Pd 移到外部串联。

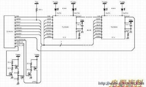
图 4 散热设计改善技术的 TLC5940 级联应用实例参考
总结
优秀的电路设计人员要务必有一个稳健的电气设计,它可以在最高环境温度下处理极端电压和电流。很多时候,人们常常遗忘的方面或者一个较少考虑的方面是极端工作条件下封装的散热设计完整性。这可能是您的设计中一个更为重要的方面,因为它在很大程度上决定着电路的可靠性。
这里说的是一种就散热方面而言确定最佳设计的相对快速和简单的方法,其无需一些笨拙或耗时的方法,或者价格昂贵的软件分析。另外还介绍了一些降低 Pd 或者至少降低 IC 封装自身功耗的一些方法。
我们希望您找到这些有用的方法和 工具 ,以及一些确保您的设计的完整性的方法,从而让您能够节省出时间用于繁忙的 EE 工作的其他方面。